EasyManua.ls Logo

Alpine IVA-W205 - Raccordements

Alpine IVA-W205
238 pages
Print Icon
To Next Page IconTo Next Page
To Next Page IconTo Next Page
To Previous Page IconTo Previous Page
To Previous Page IconTo Previous Page
Loading...
74-FR
01FR07IVA-W205.fm
ALPINE IVA-W205 68-08564Z41-A (FR)
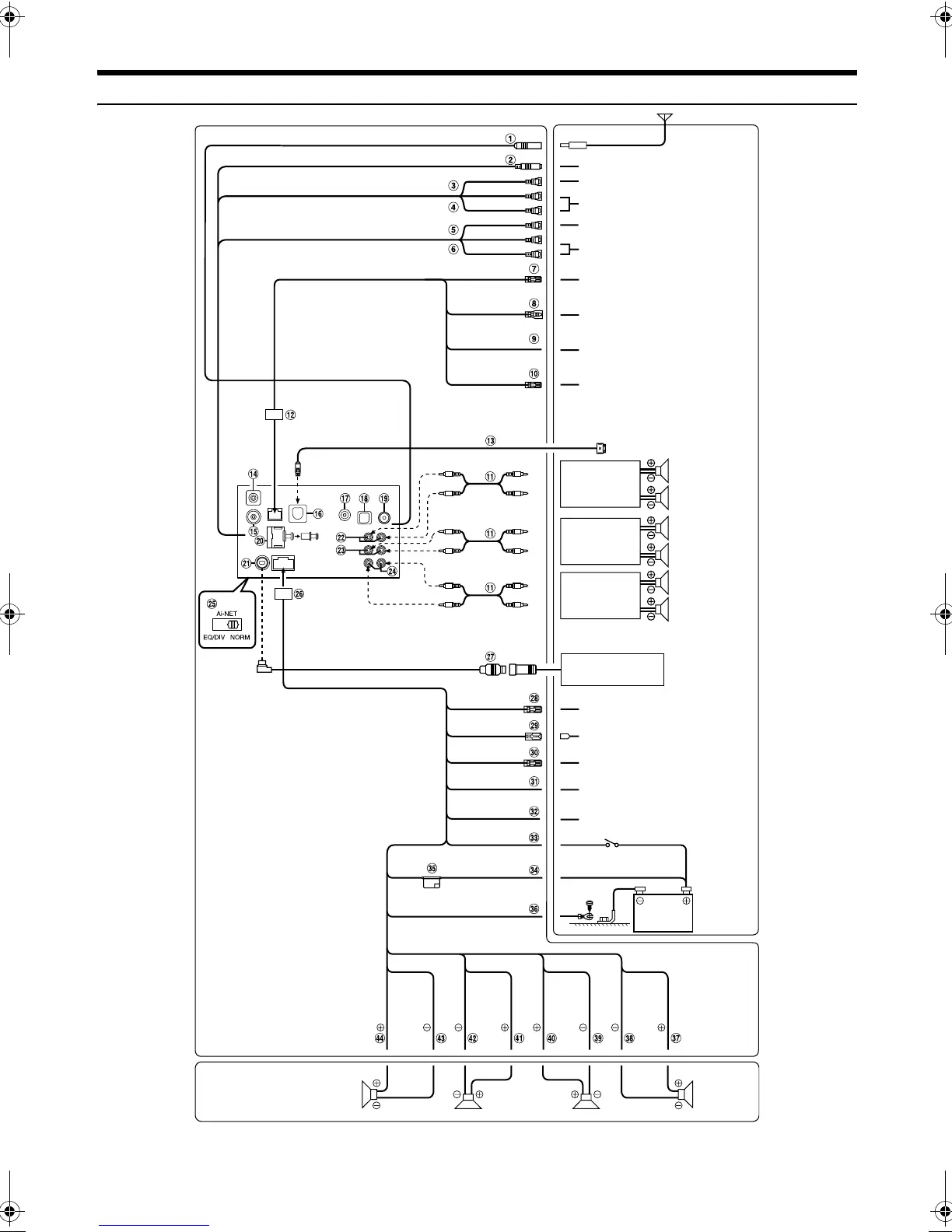
Raccordements
Réglez l’interrupteur du système sur la position « NORM » lorsque seul un changeur est raccordé à l’appareil (si l’égaliseur compatible Ai-NET
n’est pas utilisé).
* L’étiquette se trouve sur le dessous de l’appareil.
Changeur CD
(Vendu séparément)
Vers fil de sortie de la
télécommande
Vers côté positif du fil du signal
du feu de recul du véhicule
(Blanc/Brun)
(Blanc/Brun)
(Orange/Blanc)
(Blanc/Rose)
(Bleu/Blanc)
(Bleu)
(Rose/Noir)
(Jaune/Bleu)
(Jaune)
(Noir)
ENCEINTE
AVANT
GAUCHE
(Blanc/
Noir)
ENCEINTE
ARRIÈRE
GAUCHE
(Vert)
ENCEINTE
ARRIÈRE
DROITE
(Violet/
Noir)
ENCEINTE
AVANT
DROITE
(Gris)
Vers l’amplificateur ou
l’égaliseur
Avant gauche Arrière gauche Arrière droite Avant droite
SORTIE TELECOMMANDE
ENTREE TELECOMMANDE
ARRIÈRE
COMMANDE DU MONITEUR
MISE SOUS TENSION
A DISTANCE
ANT ELECTRIQUE
ENTREE INTERRUPTION AUDIO
FREIN A MAIN
BATTERIE
GND
A
ntenne
(Blanc)
(Vert/
Noir)
(Violet)
(Gris/
Noir)
FREIN AU PIED
(Jaune/Noir)
ALLUMAGE
(Rouge)
Vers fil d’entrée de la
télécommande
Vers antenne à
commande électrique
Vers téléphone du véhicule
Vers fil du signal du frein
à main
Vers le cordon du frein au pied
ou vers le cordon du frein à main
Batterie
Enceintes
Clé de contact
(Jaune)
(Rouge)
(Blanc)
(Jaune)
(Rouge)
(Blanc)
Vers l’iPod
Amplificateur
Amplificateur
Amplificateur
Arrière gauche
Arrière droite
Avant gauche
Avant droite
Subwoofers
Vers câble de commande
du moniteur
Vers bornes d’entrée audio
(D, G)
Vers bornes de sortie audio
(D, G)
Vers borne d’entrée vidéo
Vers microphone
*
Vers borne de sortie vidéo
01GB00IVA-W205.book Page 74 Wednesday, January 24, 2007 5:11 PM

Table of Contents