EasyManua.ls Logo

Alpine IVA-W205 - Wiring Connections Overview; Ai-NET Connections; Speaker Connections

Alpine IVA-W205
238 pages
Print Icon
To Next Page IconTo Next Page
To Next Page IconTo Next Page
To Previous Page IconTo Previous Page
To Previous Page IconTo Previous Page
Loading...
74-EN
01GB07IVA-W205.fm
ALPINE IVA-W205 68-08564Z41-A (EN)
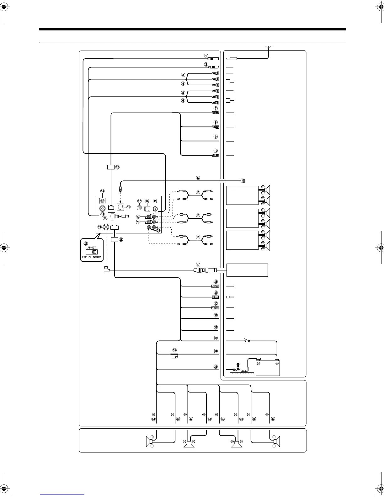
Connections
Set the system switch to “NORM” when only a changer is connected (when the Ai-NET compatible equalizer is not used).
* The label is attached on the bottom of the unit.
CD Changer
(Sold Separately)
To remote output lead
To plus side of the back
lamp signal lead of the car
(White/Brown)
(White/Brown)
(Orange/White)
(White/Pink)
(Blue/White)
(Blue)
(Pink/Black)
(Yellow/Blue)
(Yellow)
(Black)
SPEAKER
LEFT
FRONT
(White/
Black)
SPEAKER
LEFT
REAR
(Green)
SPEAKER
RIGHT
REAR
(Violet/
Black)
SPEAKER
RIGHT
FRONT
(Gray)
To amplifier or
equalizer
Front left Rear left Rear right Front right
REMOTE OUT
REMOTE IN
REVERSE
M.CONT
REMOTE
TURN-ON
POWER ANT
AUDIO INTERRUPT IN
PARKING BRAKE
BATTERY
GND
A
ntenna
(White)
(Green/
Black)
(Violet)
(Gray/
Black)
FOOT BRAKE
(Yellow/Black)
IGNITION
(Red)
To remote input lead
To power antenna
To vehicle phone
To the parking brake
signal lead
To the foot brake cord
or brake lamp cord
Battery
Speakers
Ignition key
(Yellow)
(Red)
(White)
(Yellow)
(Red)
(White)
To iPod
Amplifier
Amplifier
Amplifier
Rear Left
Rear Right
Front Left
Front Right
Subwoofers
To monitor control lead
To Audio Input terminals
(R, L)
To Audio Output terminals
(R, L)
To Video Input terminal
To Microphone
*
To Video Output terminal
01GB00IVA-W205.book Page 74 Wednesday, January 24, 2007 5:11 PM

Table of Contents

Related product manuals