EasyManua.ls Logo

Alpine IVE-W535ABT - Page 94

Alpine IVE-W535ABT
100 pages
Print Icon
To Next Page IconTo Next Page
To Next Page IconTo Next Page
To Previous Page IconTo Previous Page
To Previous Page IconTo Previous Page
Loading...
94-EN
01GB07IVE-W535ABT.fm
ALPINE IVE-W535ABT/IVE-W535EBT 68-21057Z56-A (EN)
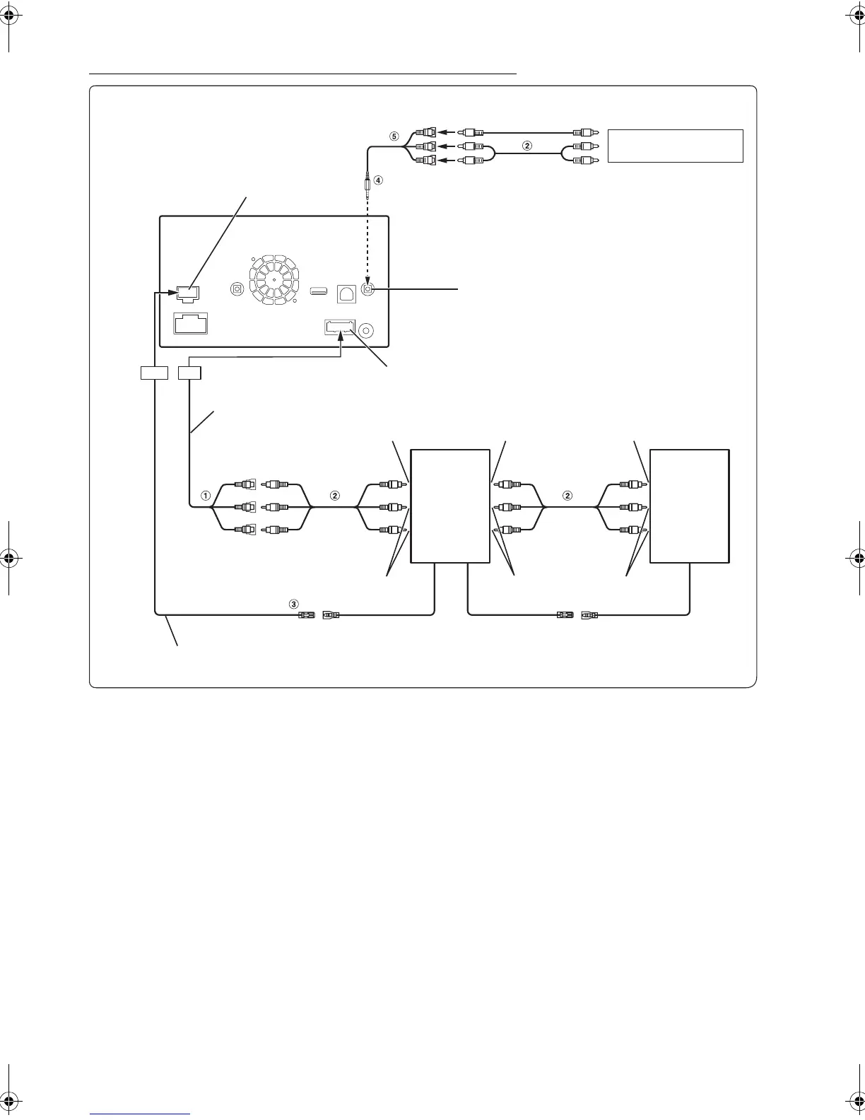
Connection of a Mobile Digital TV Receiver/USB Player and DVD Changer
1 Video/Audio Input Connectors (AUX INPUT)
2 RCA Extension Cable (Sold Separately)
3 Remote Control Output Lead (Brown)
Connect this lead to the remote control input lead. This lead
outputs the controlling signals from the remote control.
4 AV/RCA interface cable (4-pole mini AV plug to 3-
RCA) (sold separately)
5 Video/Audio Input Connectors
YELLOW is for input video, RED is right and WHITE is left
input the audio.
You can connect one more external input device only when the “Primary Name” is set to “DVB-T.Refer to “Setting the Primary AUX Name (AUX
Setup)” (page 48).
To connect an external input device to the iPod VIDEO connector, set “AUX3 In Sel.” to “AUX3.” Refer to “Setting the AUX3” (page 49).
Camera Connector
AUX/PRE OUT Connector
AUX/PRE OUT cable
(Yellow)
(Red)
(White)
iPod VIDEO input connector
To Audio Input
Terminal
Mobile Digital
TV Receiver
(Sold
separately)
Camera cable
REMOTE OUT
(Brown)
REMOTE IN
(White/Brown)
REMOTE OUT
(White/Brown)
REMOTE IN
(White/Brown)
To Video Output terminal
To Audio Output Terminal
To Video Output terminal
To Audio Output
Terminal
DVD Changer
(Sold
separately)
To Video Output terminal
DVD Player
(sold separately)
To Audio Output terminal
To Video Input Terminal
DVE-5207, etc.
01GB00IVE-W535ABT.book Page 94 Wednesday, July 25, 2012 5:22 PM

Table of Contents

Other manuals for Alpine IVE-W535ABT

Related product manuals