EasyManua.ls Logo

Alpine PKG-2000P - Page 55

Alpine PKG-2000P
103 pages
Print Icon
To Next Page IconTo Next Page
To Next Page IconTo Next Page
To Previous Page IconTo Previous Page
To Previous Page IconTo Previous Page
Loading...
5
5
4
4
3
3
2
2
1
1
D D
C C
B B
A A
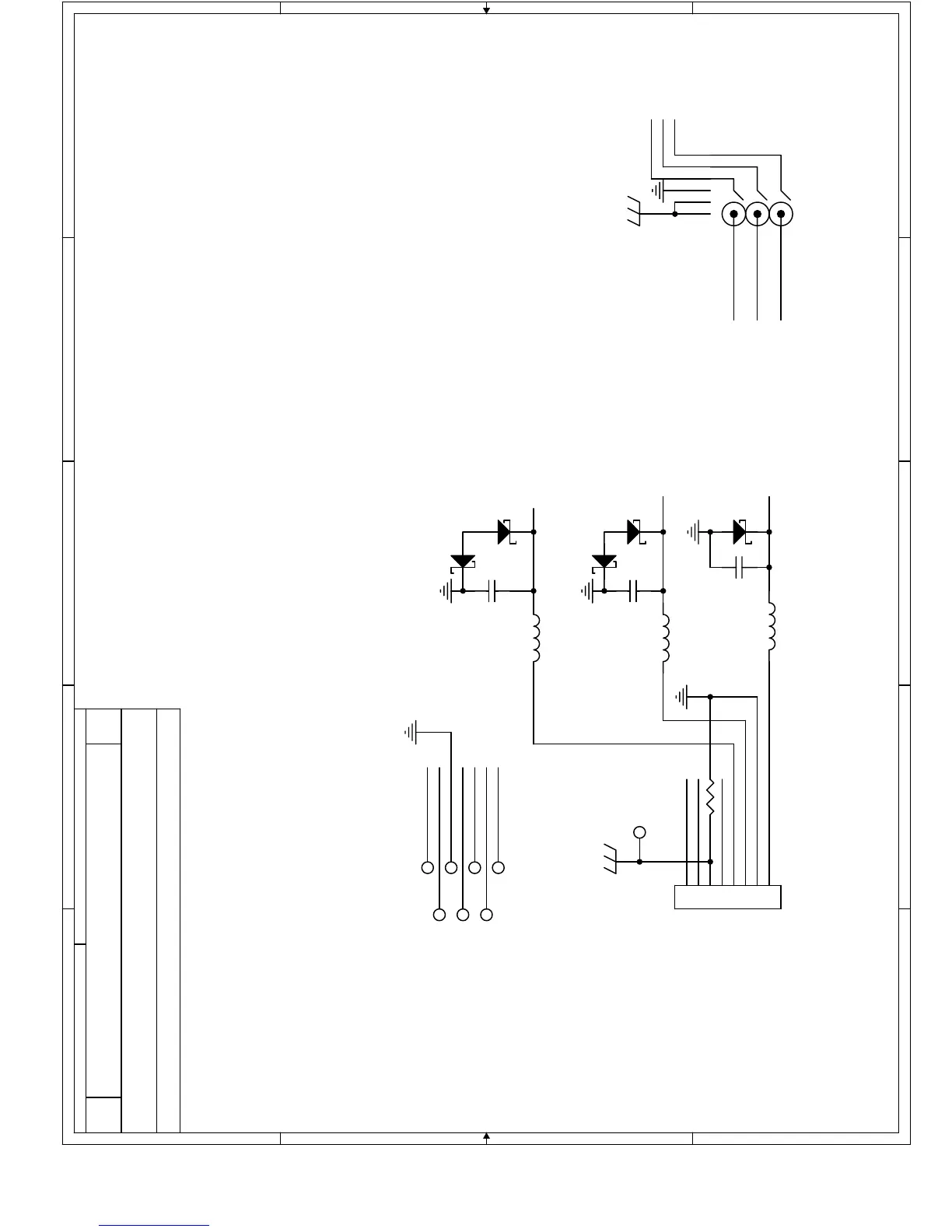
7-1 AUX3
V0.8 EN2
AUX3 BOARD
A
11Thursday, July 06, 2006
Title
Size Document Number Rev
Date: Sheet
of
AUX2_AL
AUX2_CVBS
GAME_CVBS GAME_CVBS1
GAME_AL1
GAME_AR1
AUX2_CVBS
AUX2_AL
AUX2_AR
AUX2_AR
GAME_CVBS1
GAME_AL1
AUX2_AL
GAME_AR1
AUX2_CVBS
GAME_AL
GAME_AR
AUX2_AR
GAME_AL
GAME_AR
GAME_CVBS
C1
100pF
EC1
0R
D1
5.1V
TP8
1
J2
CON8/1.25MM
1
2
3
4
5
6
7
8
C2
1000PF
TP4
1
J1
RCA JACK
9
1
5
8
3
2
6
4
7
TP3
1
D3
5.1V
TP6
1
TP5
1
EMI3 FB
D4
5.1V
D5
5.1V
D2
5.1V
C3
1000PF
EMI2 FB
TP1
1
TP2
1
EMI1 FB
TP7
1
ˋ

Other manuals for Alpine PKG-2000P

Related product manuals