EasyManua.ls Logo

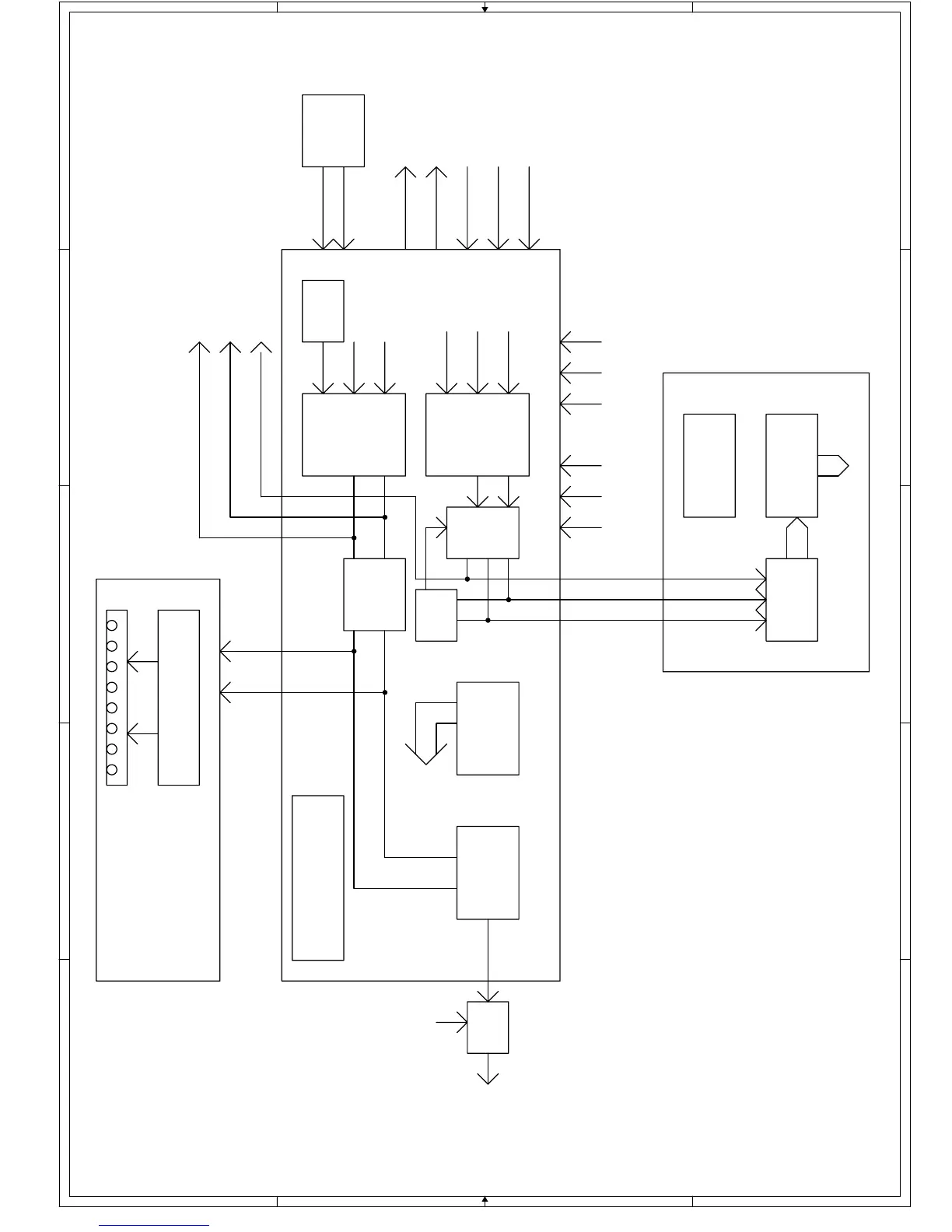
Alpine PKG-2000P - Block Diagram

Alpine PKG-2000P
103 pages
Print Icon
To Next Page IconTo Next Page
To Next Page IconTo Next Page
To Previous Page IconTo Previous Page
To Previous Page IconTo Previous Page
Loading...
5
5
4
4
3
3
2
2
1
1
D D
C C
B B
A A
TIMING CONTROLLER
GND
POWER MODULE
I2C
A_CH
AUDIO_L
DVD Deck
Mechanism
BOARD
CIRCUIT
+2.5V,+3.3V
AUDIO_R
C
AUX OUT
ACC 12V IN
AUDIO_L
AUDIO DAC
BA3308
FM MODULATOR
AUX2_L/R
DVD_L/R
IR LED
VIDEO
MCU
TFT_C
DVD_VIDEO
AUX1_L/R
NJM2234
AUDIO_R
B_CH
TO CAR RADIO
MAIN BOARD
MST501
REMOTE IN1
BA7664
YC MIXER
AUDIO_R
DVD_I2S
AUX2 IN
FROM ANTENNA
FMSWITCH
AUX2 VIDEO
HS2K219
FRONTKEY BOARD
-7V,+15V,+8.8V
CS4334
VIDEO
AUX1 VIDEO
VIDEO AUDIO_R
TFT BOARD
AUDIO_L
REMOTE OUT1
FILTER
MC4052
TW9906
2.3MHz/2.8MHz
REMOTE OUT2
FM TRANSMITTER
C8051F045
VIDEO DECODER
Y
3.2MHz/3.8MHz
VIDEO SWITCH
TFT_Y
ALC CIRCUIT
AUX1 IN
TO PANNEL
ITU656
CVBS
1.2V,3.3V,5V,7V,8V
AUDIO SWITCH
Power Control
AUDIO_L
BLOCK DIAGRAM
DVD_VIDEO
ˋ

Other manuals for Alpine PKG-2000P

Related product manuals