EasyManua.ls Logo

Amana RCA - BBС W;Ecb30 B;C

Amana RCA
243 pages
Print Icon
To Previous Page IconTo Previous Page
To Previous Page IconTo Previous Page
Loading...
243 Rev. 3
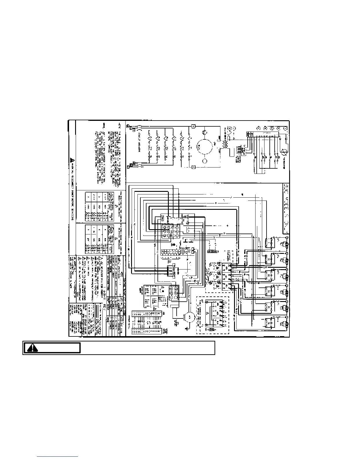
WIRING DIAGRAMS
TO AVOID POSSIBLE ELECTRICAL SHOCK, PERSONAL INJURY
,
OR DEATH, DISCONNECT THE POWER BEFORE SERVICING.
WARNING
BBC w/ECB30B/C

Table of Contents

Related product manuals