EasyManua.ls Logo

AMAV MACRO80P - Page 11

Default Icon
13 pages
Print Icon
To Next Page IconTo Next Page
To Next Page IconTo Next Page
To Previous Page IconTo Previous Page
To Previous Page IconTo Previous Page
Loading...
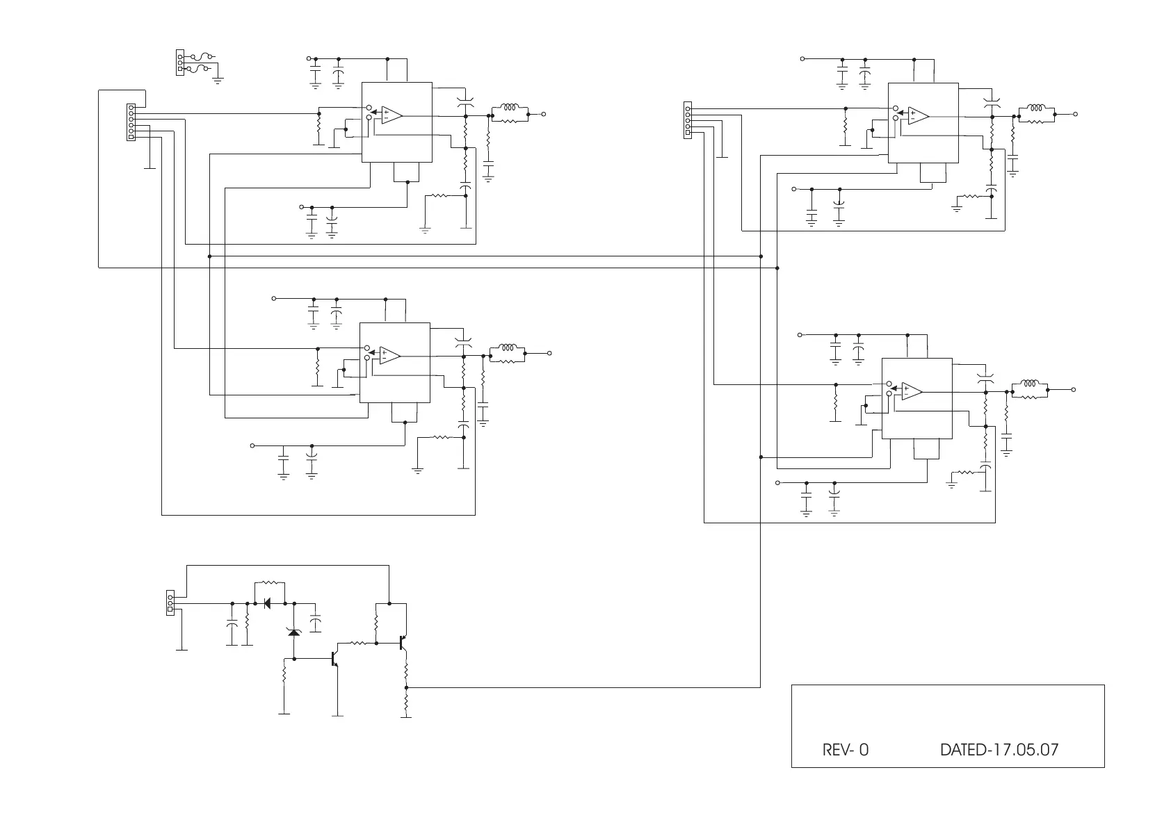
+
C4B
220/50
C3B
.22uF
C10B
.1uF
L1B
10T
+
C7B
22/35
C6B
22/50
+
C2B
220/50
C1B
.22
7296A
U2
+
C4D
220/50
C3D
.22uF
C10D
.1uF
L1D
10T
+
C7D
22/35
C6D
22/50
+
C2D
220/50
C1D
.22
7296A
U4
PN6
+
C12
220uF,25V
D1
1N4007
+
C11
10uF,25V
Q1
KTC3198Y
Z1
9.1V
Q2
KIA1266
PN3
C10C
.1uF
L1C
10T
+
C7C
22/35
C6C
22/50
+
C4C
220/50
C3C
.22
+
C2C
220/50
C1C
.22
7296A
U3
L1A
10T
+
C7A
22/35
C6A
22/50
+
C4A
220/40
C3A
.22uF
+
C2A
220/40
7296A
U1
C10A
.1uF
PN7
R8B
10E,1W
R4B
10E,1/4W
R5B
4.7Ohm,1W
R3B
.68K
R2B
22K
R1B
22K
R4D
10E,1/4W
R8D
10E,1W
R5D
4.7Ohm
R3D
.68K
R2D
22K
R1B
22K
R13
R17
10K
R16
4K7
R14
10K
R12
10K
R11
22K
R15
10K
R4C
10E,1/4W
R8C
10E,1W
R5C
4.7Ohm,1W
R3C
.68K
R2C
22K
R1C
22K
R4A
10E,1/4W
R8A
4.7Ohm,1W
R3A
.68K
R2A
22K
R1A
22K
R8A
10E,1W
FROM CN7 OF PRE.AMP. PCB
CH-B
CH-A
CH-C
CH-D
FROM CN
6 OF PRE.AMP. PCB
A
AF
C
CF
GND
ST.BY.
B
BF
D
DF
GND
TO CN3 OF P.S. PCB
PN3
FROM CN 3 OF P.S. PCB
+V
-V
+V
-V
+V
+V
-V
-V
1
4
10
9
15
8
2
14
6
13
7
3
7
13
6
14
2
8
15
9
10
4
1
3
OPEN
7
13
6
14
2
8
15
9
10
4
1
3
7
13
6
14
2
8
15
9
10
4
1
3
F2
F1
TO CH-B SPEAKER TERMINAL
TO CH-D SPEAKER TERMINAL
TO CH-C SPEAKER TERMINAL
TO CH-A SPEAKER TERMINAL
REV- 0 DATED-17.05.07
Australian Monitor
Macro80P Output Stage

Related product manuals