EasyManua.ls Logo

AMAV MACRO80P - Page 12

Default Icon
13 pages
Print Icon
To Next Page IconTo Next Page
To Next Page IconTo Next Page
To Previous Page IconTo Previous Page
To Previous Page IconTo Previous Page
Loading...
D7
1N4007
C31
0.1uF,100V
+
C30
100uF,50V
C33
0.1uF,100V
IN
COM
OUT
U6
LM7806
+
C32
100uF,50V
+
C44
0.22uF
Q7
C1027
CN2
D6
1N4007
RL1
+
C42
47uF
Q5
C3198
Q6
C1027
3
2
8
4
1
U5
LM393
+
C43
100uF
D5
1N4148
Q1
A1015
FAULT LED
+
C38
6800uF ,50V
+
C39
10A
C35
0.1uF
C34
0.1uF
C36
0.1uF
C36
0.1uF
4A
3
2
8
4
1
+
U3
NE5532
C8
1K,50V
C7
1K,50V
C6
0.1uF
5
6
8
4
7
+
U3
NE5532
C4
47P
+
C2
10uF,25V
3
2
8
4
1
+
U2
NE 5532
C5
0.1uF
+
C3
10uF,25V
C29
0.1uF
C17
4K7POLY
C22
0.22uF,63V
C24
0.22uF,63V
C26
2.2uF
RL1
65-12-1CE
L2
16.5uH
C21
0.1uF,100V
C23
0.1uF,100V
+
C14
100uF,63V
C15
0.22uF,63V BOX
C10
0.33uF,63V BOX
L1
16.5uH
F3
IRFZ48N
F4
IRFZ48N
F2
IRFZ48N
F1
IRFZ48N
D1
1N4148
D2
1N4148
C9
0.33uF,63V BOX
C12
0.1uF,100V
PR1
5K
C1
220P
+
C11
1000uF,50V
C25
2.2uF
C19
0.1uF
C18
4K7POLY
C16
1KP
C27
C28
100P
C13
1KP
+
C20
10uF
C45
1KP
Q1
C3198Yx2
+
C40
100uF,25Vx2
+
C41
Q2
Q3
A1266Y
D3
1N4148
Q4
C3198Y
C48
0.1uF
+
C49
47uF,25V
C50
0.1uF
+
C46
47uF
C4A 1uF
+
C47
47uF,25V
R38
3K3
R39
10K
R40
10K
R42
22K
R41
10K
R46
10K
R51
100K
R45
10K
R44
10K
R43
10K
R47
10K
R50
10K
R48
47K
R18
47K 1%
R17
47K 1%
R16
47K 1%
R14
47K 1%
R19
47K 1%
R15
47K 1%
R20
5K 1%
R21
5K 1%
R9
100K
R10
3K3
R11
22K
R8
47K
R48
10E,1W
R12
1K
R33
10E
R32
10E
R31
10E
R23
100Kx4
R22
R25
R30
10E
R24
R4
10K
R3
10K
R2
10K
R5
8K2
R6
6K8
R1
10K
R7
1k
R52
47K
R53
47K
R53
47K
R55
47K
R56
47K
R57
10K
R58
1k
R59
10K
R60
180K
R36
100K
R37
100K
R35
4K7
+12 v
+12 v
U1
4069B
CN
1
INPUT
+12 V
U3
CN3
AC IN
+12 V
2
120
19
18
17
16
15
14
13
12
11
10
9
8
7
6
5
4
3
+12 V
HIP 4080
+V
UNREGULATED
+V
UNREGULATED
R27
R26
R28
R29
470K
15V
470K
470K
470K
15V
15V
15V
F
+12 V
+6 V
+16 V
+12 V
+12 V
+12 V
+12 V
+12 V
OUTPUT
OUTPUT
TO
TO SUB WFR
+
-
SUB WFR
TO
SUB WFR
8
9
10
11
12
13
4069B
UNUSED
PINSUNUSED
6800uF ,50V
REV- 0 DATED-17.05.07
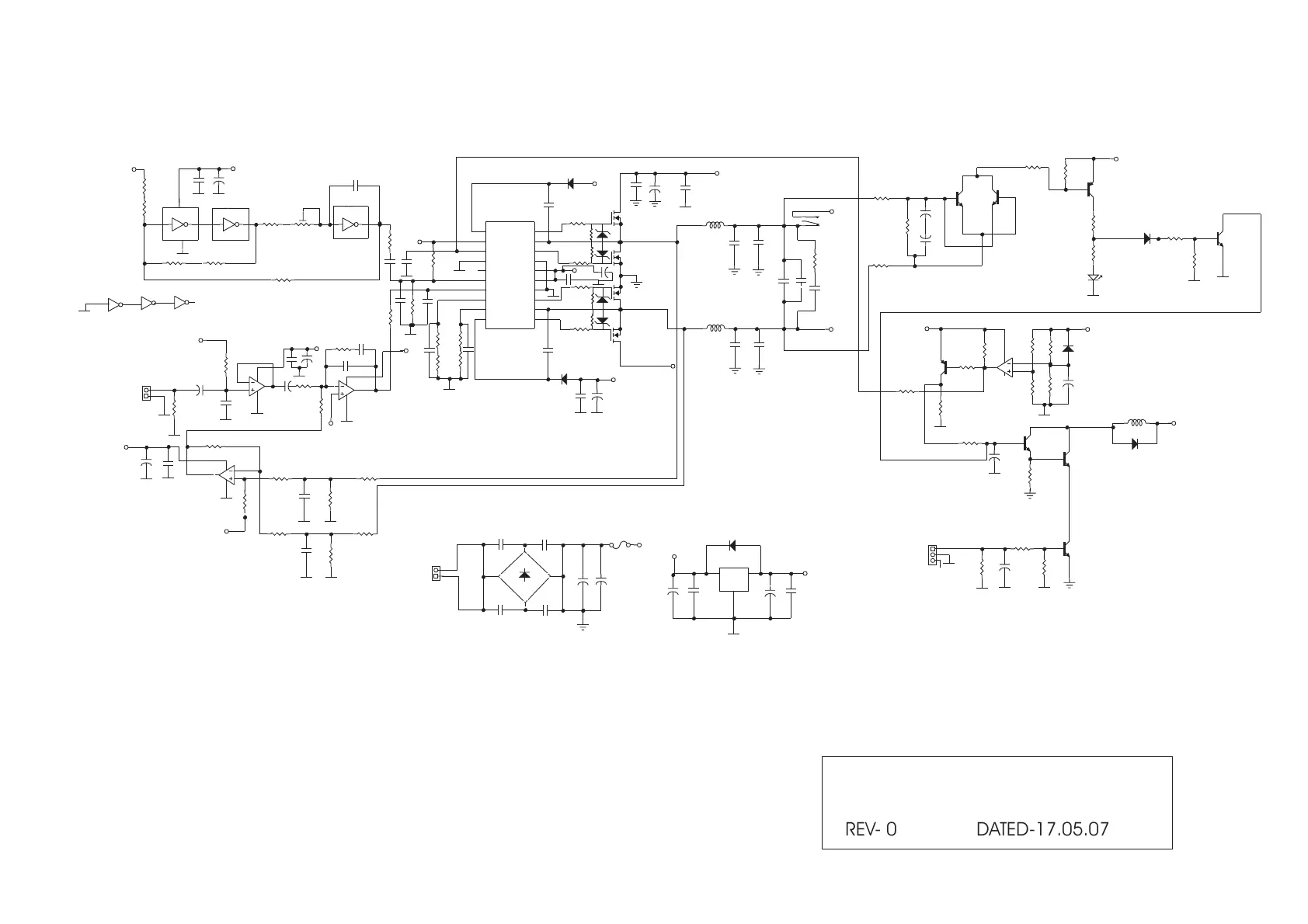
Australian Monitor
Macro80P Sub-Woofer
Output Stage

Related product manuals