EasyManua.ls Logo

Ameri-King AK-950 Series - Page 10

Default Icon
20 pages
Print Icon
To Next Page IconTo Next Page
To Next Page IconTo Next Page
To Previous Page IconTo Previous Page
To Previous Page IconTo Previous Page
Loading...
39
40
41
42
43
44
45
46
47
48
49
50
51
52
53
54
INSTALLATION
AND
OPERATION
MANUAL,
MODEl Alt-860
OPS
1
NAV
IWITCHINO
a.
ANNUNCIATOR
PANEL
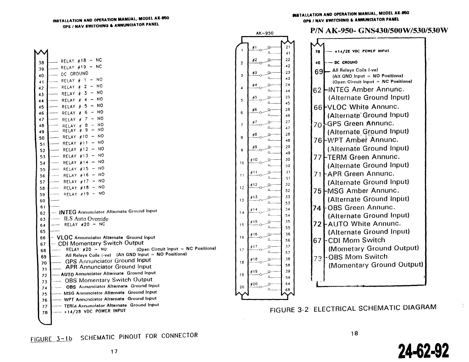
RE
LAY
#
18
-
NC
-
RELAY
#19 -
NC
OC
GROUND
RE
LAY
#
1
-
NO
RE
LAY
#
2
-
NO
RE
LAY
#
3
-
NO
RE
LAY
Il
4
-
NO
RE
LAY
#
5
-
NO
RE
LAY
#
6 -
NO
RE
LAY
# 7
-
NO
RE
LAY
#
8
NO
RE
LAY
Il
9
-
NO
RE
LAY
#10
-
NO
RE
LAY
#
11
-
NO
RE
LAY
#12
-
NO
RE
LAY
1/13
-
NO
RE
LAY
1/14
-
NO
55
56
-
57
RE
LAY
RE
LAY
RE
LAY
1/15
-
NO
#16
-
NO
#17
-
NO
58
RE
LAY
1/18
-
NO
59
~
RE
LAY
1119
-
NO
60
61
62 - INTEG
Annunciator
Allernate
Ground
Input
63
--
!LS '"l\uto Override
64
-
RELAY
1120
-
NC
65
66 - VLOC
Annunciator
Alternate
Ground
Input
67 -
CDI
Momentary
Switch
Output
68
RELA
Y
1120
-
NU
(Open Circuit Input =
NC
Positions)
69
Ali
Relays Coils (-ve) (Ait GND Input =
NO
Positions)
70
-
GPS
Annunciator
Ground
Input
APR
Annunciator
Ground
Input
-AUTO
Annunciator
Alternate
Ground
Input
-
OBS
Momentary
Switch
Output
- -
085
Annunciator
Alternate
Ground
Input
MSG
Annunciator
Alternate
Ground
Input
- WPT
Anm:nciator
Alternate
Ground
Input
-
TERfJÎ
Annunciator
Alternate
Ground
Input
- +
14/28
VDC
POWER
INPUT
FIGURE
3-1
b
SCHEMA
TIC
PINOUT
FOR
CONNECTOR
17
IMTALLATION
AND
OPERATION
MANUAL,
MODEL
Alt-860
OPS
1
NAV
SWITCHINO
&.
ANNUNCIATDR
PANEl
PIN
AK-950-
GNS430/500W/530/530W
- +
14/2e
VDC
f'OW(P
IHf'UI
-OC
CROUHO
Ali
Relays
Coils (-ve)
(Ait GND Input
= NO
Positions)
(Open Circuit Input = NC
Positions)
INTEG
Amber
Annunc.
(Aiternate
Ground
Input)
VLOC
White
Annunc.
(Aiternatj3' Grou
nd
Input)
70
GPS Green
Annunc.
(Aiternate.
Grpund
Input)
WPT
Arnber
Annunc.
(Aiternat'e
Ground
Input)
77
TERM Green
Annunc.
(Aiternate
Ground
Input)
71
APR Green
Annunc.
(Aiternate
Ground
Input)
75
MSG
Amber
Annunc.
(Aiternate
Ground
Input)
74
OBS Green
Annunc.
(Alternats
Ground
Input)
72
AUTO
White
Annunc.
(Aiternate
Ground
Input)
67
-COl
Mom
Switch
(Mometary
Ground
Output)
73
-OBS
Mom
Switch
(Momentary
Ground
Output)
J
FIGURE
3-2
ELECTRICAL
SCHEMA
TIC
DIAGRAM
18
24-62-92
The document reference is online, please check the correspondence between the online documentation and the printed version.

Other manuals for Ameri-King AK-950 Series