EasyManua.ls Logo

Ammann AV26-2K - AV23 - AV40 Hydraulics Diagram

Ammann AV26-2K
180 pages
Print Icon
To Next Page IconTo Next Page
To Next Page IconTo Next Page
To Previous Page IconTo Previous Page
To Previous Page IconTo Previous Page
Loading...
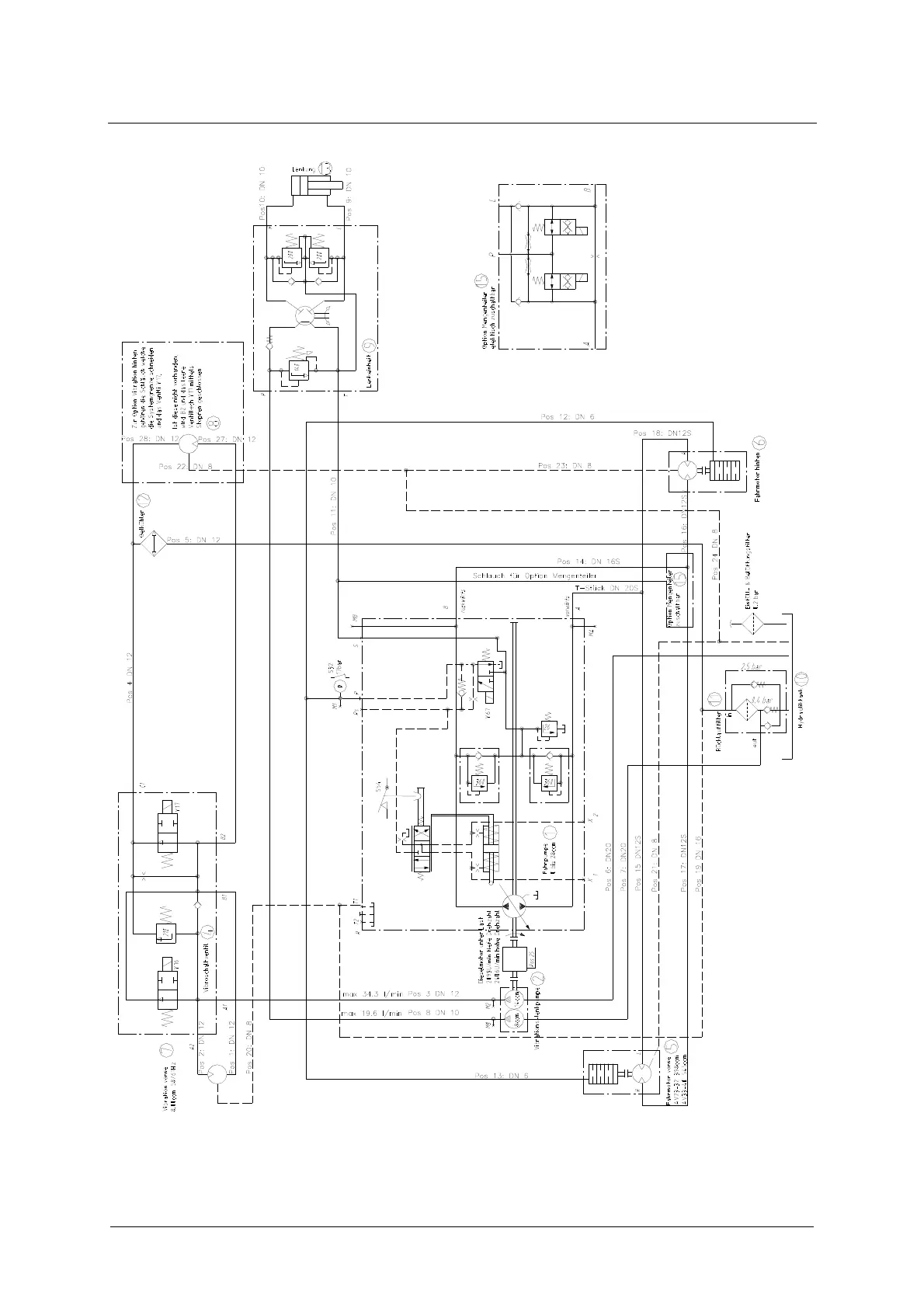
11 Hydraulics diagram
BNNbOO
ID: 1138310 Issue date January 01, 2010
148
AV23 - AV40 hydraulics diagram
Drawing number: 1-30004747 E

Table of Contents

Related product manuals