EasyManua.ls Logo

Ammann AV40-2K - AV23 K - AV40 K Edge Cutter Hydraulics Diagram

Ammann AV40-2K
180 pages
Print Icon
To Next Page IconTo Next Page
To Next Page IconTo Next Page
To Previous Page IconTo Previous Page
To Previous Page IconTo Previous Page
Loading...
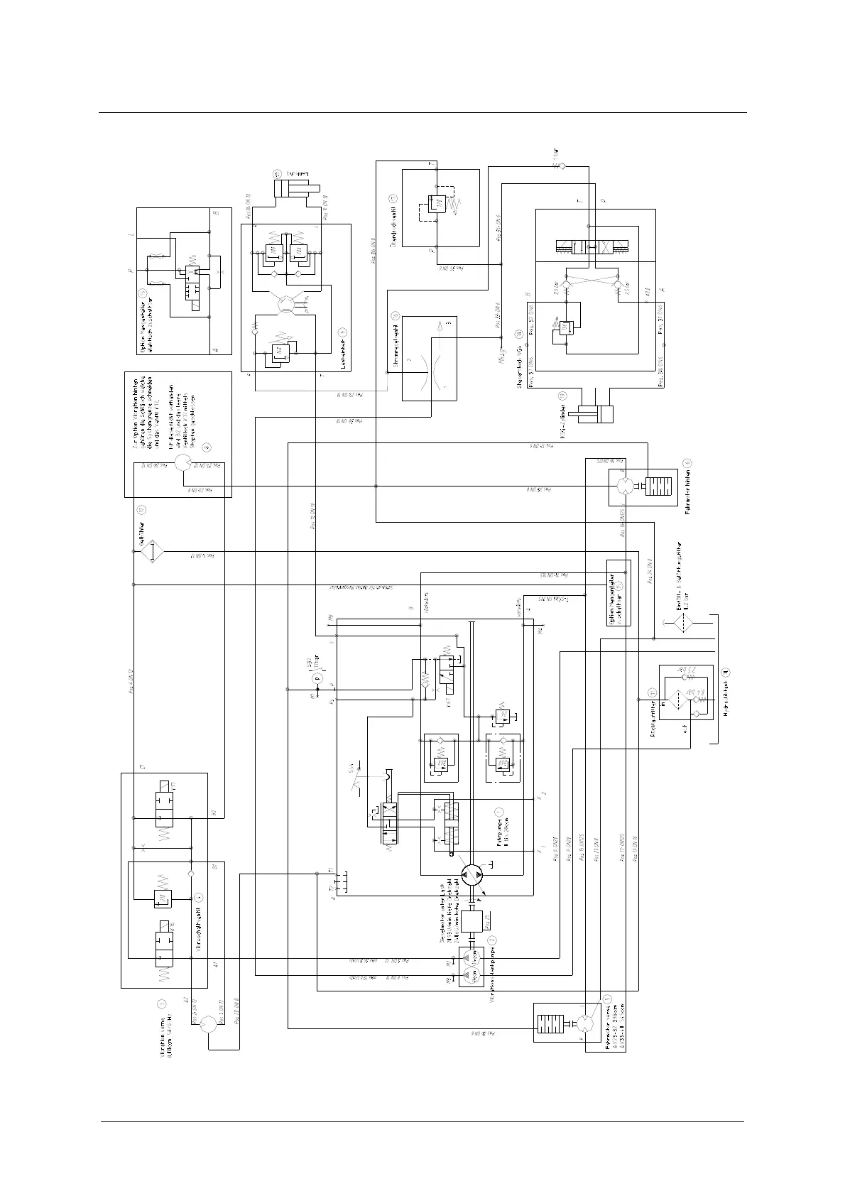
11 Hydraulics diagram
BNNbOO
ID: 1138310 Issue date January 01, 2010
152
AV23K - AV40K Edge Cutter hydraulics diagram
Drawing number: 1080888

Table of Contents

Related product manuals