EasyManua.ls Logo

AMSTRAD CPC664 - Alignment Checks

Default Icon
31 pages
Print Icon
To Next Page IconTo Next Page
To Next Page IconTo Next Page
To Previous Page IconTo Previous Page
To Previous Page IconTo Previous Page
Loading...
ALIGNMENT
CHECKS
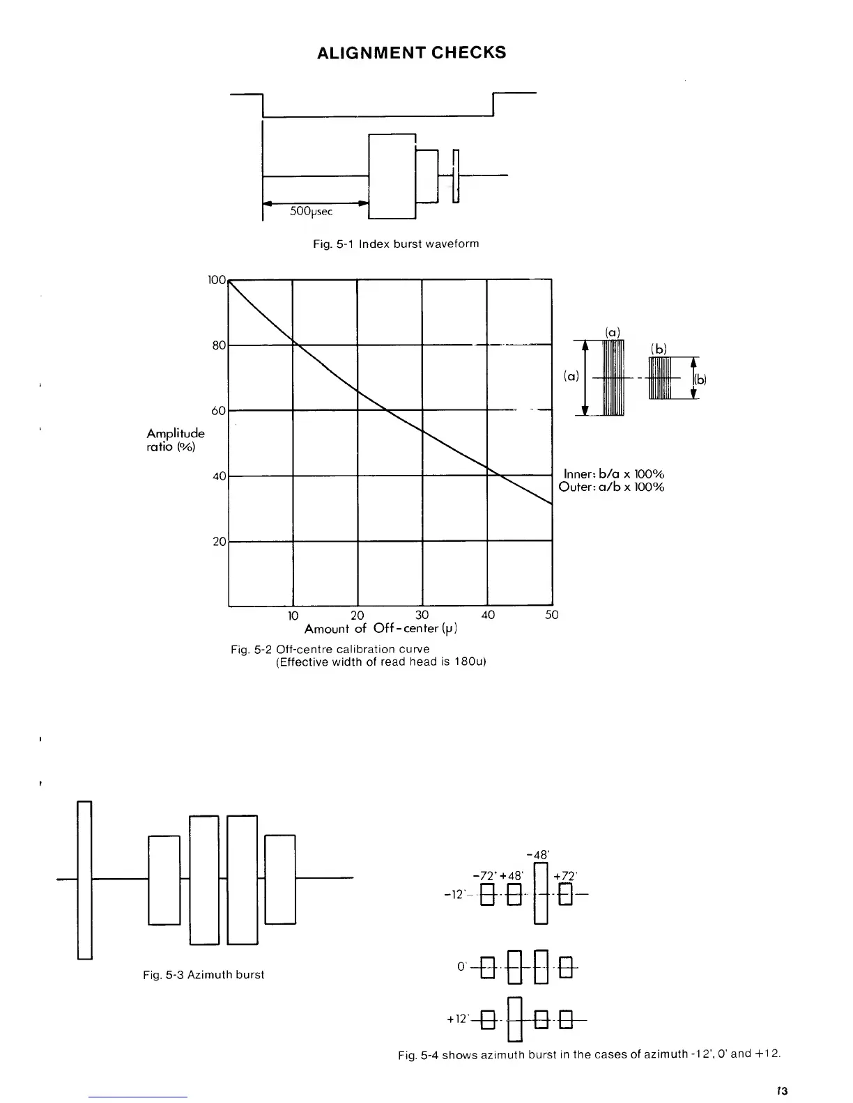
500usec
Fig.
5-1
Index
burst
waveform
Amplitude
ratio
(%)
uu
80
60
40
20
^
b)
b)
10
20
30
40
Amount
of
Off-center
(u)
Fig.
5-2
Off-centre
calibration curve
(Effective
width of read
head is 180u)
Inner-, b/a x 100%
Outer: a/bx 100%
50
Fig.
5-3
Azimuth burst
-48'
-72'
+48'
°--e-s-
+
72'
-B-
Fig.
5-4
shows
azimuth burst
in the cases
of azimuth
-1 2',
0'
and +1
2.
T3

Related product manuals