EasyManua.ls Logo

AMSTRAD CTM644 - Disc Drive Alignment Checks (Continued)

Default Icon
31 pages
Print Icon
To Next Page IconTo Next Page
To Next Page IconTo Next Page
To Previous Page IconTo Previous Page
To Previous Page IconTo Previous Page
Loading...
ALIGNMENT
CHECKS
(cant)
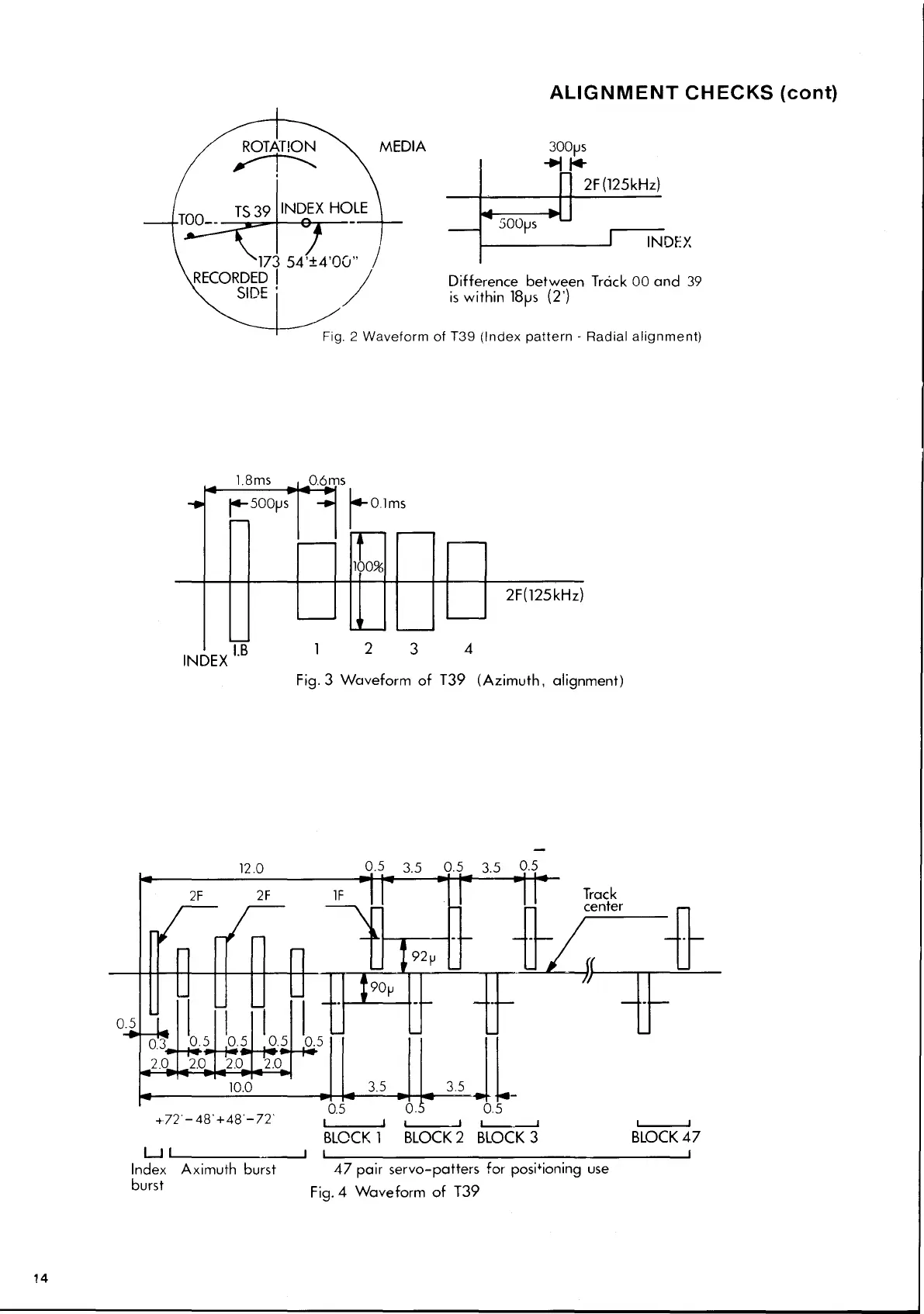
Fig. 2 Waveform of
T39
(Index pattern - Radial alignment)
Difference
between
Track
00
and
39
is
within
18fJs
(2')
300fJs
+114-
2F
(l25kHz)
INDEX
I
.
500fJs
-
1.8ms 0.6ms
~500fJs
r-01ms
100%
2F(125kHz)
INDEX
I.B
2
3
4
Fig.3
Waveform
of
T39
(Azimuth,
alignment)
120
o5 3 5 0 5 3 5 0.5
, I
BLOCK
47
I I I
....J
I I
BLOCK
1
BLOCK
2
BLOCK
3
47
pair
servo-patters
for
posi~ioning
use
Fig.4
Waveform
of
T39
+72 - 48'
+48'-72'
U
IL...-
--J
Index
Aximuth
burst
burst
2F
2F
1F
II
Track
~
it
,enre'
it
.i
j
}
r-
--
r-
921J
t
90
IJ
I
-I
I
_.
-I-
-
--
-
-r--
OJ.
'O.~
I
~I
L-
0.5 0.5 0.5
0.5
L-
3sJL
2.0
2.0
2.0
2.0
10.0
3.5
0.5
O.
0.5
14

Related product manuals