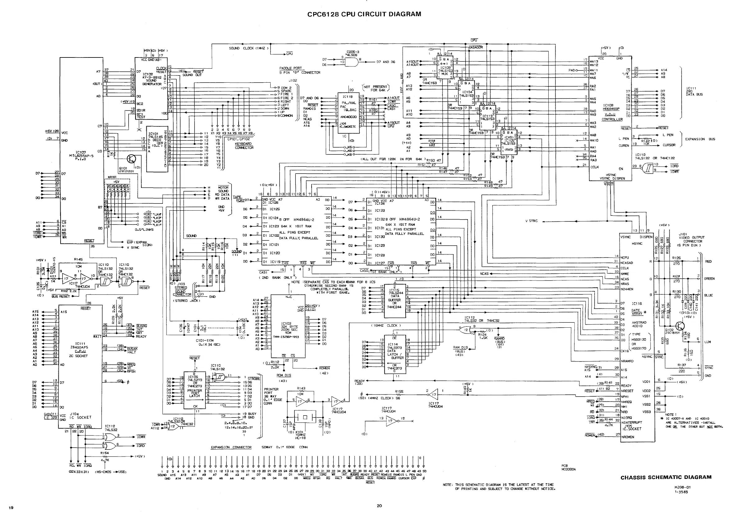
CPC6128
CPU
CIRCUIT
DIAGRAM
RED
BLUE
2
4
6
IClll
Z80
DATA
BUS
) EXPANSION 8US
RIa?
JIOI
VI
OEO
OUTPUT
CONNECTOR
<S
PIN
DIN'
__
2_2_0
__
---'51>
GND
CURSOR
O?
06
OS
04
03
02
01
DO
<+5V)
12
I-w...;:::.-
.....<-O-'- (+SV >
1-"
::5
4
1-_
<
0'
~
NDTE:
•
Ie
40007-X
AND
Ie
40010
ARE
ALTERNATIVES
-INSTAlL
O1'E!lIl.
THE
OTHER
BUT
lIJI.
BOTH.
a
R128
G
F+-+-+""2"'7"0-+-'--<>
II
GREEN
VSS2
VSS3
VOOI
VD02
VSSI
IJ'9
ICI10
74LSI32
OR
?4HC132
123
8~WRi5
~TIiiiR
D7
~~
06
28
OS
?q
D4
30
03
31
02
32
01
DO
ES
2S
A14
'1/'1
fj22~ry===::::
A9
RS
I-
2~
• AS
REsETI---=2~_-_..HiE5ET
LPEN
V5YNC
DISPEN
HSYNC
EN
L
PEN
l3L~::;;:;~::+
R
1
1
0
4
K
I1!0
J
CUREN
pI9,--,-=
__
ICloo
~
JL.Q&
CONTROLLER
HSYNC
V5YNC
OISPEN
ROMEN,
....
<4...c
2
'"-J
__
...;2::;?'-l
NROMEN
L
__
~
~-,29=-1
NRAMRO
V
SYNC
47
4?
L-
~~
__!.14~NCPU
L
~ ~
...23.wl
NCASAO
4
CCLK
i~NMWE
I~NCAS
~
,
I
~~4
D~7::~EN
8
f'=8+-t--+_R':!'~30C+m
_
_rl>31
270
l8i.I~!~
L---~--=__106
ICl16
~
=
~
1~1~1~
l-
.:.'.;DS
~~1~Y
li
M'[ij'e
(0)(0)(0>
L---~--.:':40':.lD4
a:
c::
a:
(+5V
)
L
-=3'='S-l03
~~i~D
IV)
38
02
QI02_\~
37
01
[TYPE]
2SCiSlSY
~
~~
L~
-,-3::5:.j
DO
H
0
5
R
63
I
30
~
0
0:-
"'
ffi
L.,"-<~
tl'---t>
II
LUM
L
~~--=24c.jCKI6
H5G31?0 S
'"
0
_
1.0
NSYNC
SYNC
'"
-
co)
R148
"'49
NCAS
..
4?
4?
RI
2
'llS3
14
QQ
DO
14
~
12
14
16
18
1
,19
E
IC"S
74LS244
DATA
BUFFER
OR
74HC244
JCll?
?4HClJ04
~
I
~
<OJ
(OH+5¥)
I i
r
_
'
_
S
:,-:-
1_8:;:.1.L-:
19~1.:;3l.:'=Ol:,,:l.I.:l-,,2cI....::SL.::?..L.,:ls'l-l-.
DO
,'4
- 2
,---.-
O? +----":-
D1
SNO
vee
A7'0
001-"'4=-
--,
_
f_
IC134
_
~
2
00
~
OS
+----":-
D1
IC'33
- 14
I--
DO
~
D5~
01
ICI328
OFF
HM4864U-2
-
~
2
I--
64K X
IBIT
RAM
DO
04""""":'
01
ICl31
ALL
PINS
EXCEPT
-
~
QQ
DO
~
D3
~
01
ICI30
0ATA
FULLY
PARALLEL
DO
1-"'4'---
__
~
- 14
r--
-
00
~
D2
-2
01
ICI26
1-
1
'-.4:.-_--,
- 14
I--
~
DO
-=---.
01
-.-3-
01
ICl28
DO
w.L-
-'4
f_
-
DO
~
00
~
01
ICI27
CAS
RAS
WE
...!.i.-
15'('
,'(
4 3'1'
CASO'-"'ST"--'S'"'A'"'NK;;:.J'ONL
y",
RI43
3~
ICl17
I I I -;l 74HClJ04
f;;
r::tl 0
Iti
a.;;
uf~
1
ul~!);
<O~Xl01
<0:
16MHZ
He-IS
PRINTER
PORT
36
WAY
0.1"
EDGE
CONN
<
0)
R112 1
22
1
20
2.2K
I
~----.
ROMEN
ROM
DIS
C42}
C43}
<
OJ
SOUND
CLOCK
<I
MHZ
>L-
CPU
~;~~~Y
---
2.4.6.8.
10.
12.14.16.20.27
30
I
C101-C134
O.IX
34
<BC'
11
CK
R!
SOUND
ICI'O
?4LS132
ICI'b6
~
I
STROO~
74Lg~?3
16
1506
?4HC2?3 15 13
OS
PRINTER
~I~
q~~~~~~
11
04
PORT
903
LATCH
702
~
501
<~I~~
: +
~ ~
f
d~
---------------
RO;A;~
IJ~T:
13
1011
I>
J
?151
WR
DATA
~D?~~NO
VCC
A?
AD
~IC126
~
OS
..--L
01
ICI25
f_
os..--L
01
IC124
8
OFF
HM4864U-2
04
~~
ICl23
64K X
IBIT
RAM
03
~
~IC122ALL
PINS
EXCEPT
l
I--
DATA
FULLY.
PARALLEL
:!
a~
a~
a
02
~
01
IC121
A
a:
-0::
-a:
-
~
1
1B8====3=':±l1
<'
J
DI
~
01
ICl20
2f-
DO
~
01
IC119V;S
RAS
WE
CASI~
J
41
3T
'2ND
BANK
DNL
Y >
OTHERW
I
SE
SECOND
BAN~
IS
~
COMPLETELY
PARALLEL
D?
~---l-'--...,
WITH
FIRST
8ANJ::.
~
~
A14~~?
N.C
04
:;:::=::J;j
A13
D3
----i
A
12
VCC
=V
>
D2
:::=::::!
~~!J
~
GNO
<'
g!J
----±
A9!~
It}---
07
1-----'
IC112
~~
IClm
~
06
r-~~~~--:--:_~~~~~~++-H++-H
,-7:.::4~L=S;:32=-,0:",R~.:..74~HC=32~
~~~~-~------
32K
8YTE
~
OS
(I6MHZ
CLOCK
> 9
~~4
200N
SEC
l=:
04
12
L~'o)
1
A~~
TMM-232R~~'953
~
g~
.lOE
'
"----'I
R124
~~
EE
P5==:
~~
017-+--";"'6~9
IC114
~'~~~==t~~t~~t~~+-'
1
.5K
~~~~
~!J
-
10
0 15
?4LS3?3
clc;4;'--++-HI-+..J
RAM
DIS
_
'<~~'
J
----
g4
12
DATA
~'j~3~~tPI
<
8US,
-
~
0i~§~~J9~
LATCH
1 8
(43)
o S
SUFFER
7
01
2
-00-
:j
?~373
~i~YNQ:.;;.:3:.:.J
__
...;28~AI5
j
11
A14
(4)
30
A14
~~~Y
+------4---~---~-+---~---<-oil--V:J-----------------------,lL
__
---'(:.:3::::9"-,R"",,4~'-=2:=j2
READY
¢
...
~_R,,';;,55=-~~
__
-(2x:
I?
r-_1~
~H:+.=
~_~ ~~~
-;,--_R_E_S_E_T_(_4_'_>_8_2_...!t~:
~::~ET
<50> <
4MHZ
CLOCK)
56
MREQ
'26>
I?
NMREQ
~~
Mi
~'?L-....1Q.
NMI
Ri5
(32)
21
RD
10RQ
<3ll
RI44
18
NIORQ
1m" <
35'
32
N
INTERRUPT
4.7K
JI05
IC.
SOCKET
~.~-
~
::
~
g
0'
Jl03
~._
'"
~
0:
STEREO
.-.--
SQIJt!D 2......
--~t-J
CONNECTOR
I
~
GND
<
STEREO
JA >
~~
~::=J
O~~
02~
Ol+--
00
__
:
~CI12
S320R
TIiWR
I2 74HC32
ATI2
11
VCC
GND
A8-
~~O)
~+5V)
13 16
1>7
~'LK4'
"to)'LK3'
c:>t5l
'LK2'
~"U<1'
O.S'LINKS
HALT
RFSH
BUSAK
l--..-o-
EXP
<
EXPAN
I _ SION)
~
V
SYNC
8
22
21
20
19
ICll2
74LS32
)-"3:.-
_
_+
IOWR
~
BO
'------..J-I-+----
.... H
~---.G
~-I_++_If_~t-_E
'-----+-1-1-+++---+
0
67
~++tI=======~
~
~
N N
gJf~
~1-=~=iCj:"'=-~±"<~''?>
8USRQ
h'7
~~h1'
~~~
WAITI"?",-4~~~---"<~,.,..,,,
READY
C2D5-3
0>-t
I
r-
~
f+fiV)
1<,
0l
~4LS08
~
~
.-.....,~2~0c-_.,,~1_.,
07~
D7
AND
DG
AI5OUT·
...
---:';;;°.pG
B A
2'1-1~2t==t:j:===tj~==:::I:t=======l=±=====::TI'7qMA13VCC
GND
D6~
A140UT
6
4-+1
2~4
16
MA12
~,
15
PADDLE
PORT
ICloo
I
A?
~~~~~====2~'~D?
IC102
RESET
'I
;
"'"
RESET
9 PIN
'Ell
CONNECTOR
___"
?4LSI53,3
0
PADo---ff
MAil
~.;;
~~
AY~'2
~
~
SOUND
OUT
JI02
:
~~
:;:::::::=:}!::0~R;:::2°~~~~7_·:-'lUJXX:,...,.~3.J,~3~~:t~2;=k'~4==:::t:t===tj====:===i=t=====TI10U~~~
<OUT>I"':~L.....----:~~!'l
GENERATOR10~f~~~Eg~~~~~~~~~~~§~Et===~~L,~9
CDM
2
]1
120 (NOT
F6R~T)
,,~:~
....
7_4_HC_'5_3_++9_'.ll~0'bG
B A
~~J3-~t=:::I:+===t=t====:===±=t====:j~~~~~~~
AO
4
?R
00
9
-<>
~
~fteRE,
or
ICI04
to
'~
6 FIRE 2
D7
AND
OS
-------J;
IC
116
~1~~ff~I~,~~~A~'41°UfT
A6
"":===~=I=::'~~
;4LSI5~1-1]~[;;:j~·
tj~==::tt===:====!=:j:======94MA5
<~
6C2
1~~3~~~~~~~~il~~~~~~~~~~~~~
~~T
DO
RESET
----1
p:~/HAL
~
~~:
A5"
!JR.
.2....
~,.2~
~
2L.J.;J
3
MM
1r
'6
80lR
200WN
RAMOIS
~
5 16L8AC
PH'5rt--,R'-';lil~i"'+r-l(
CAS
I
A11
4HC153 7 9
10
G B
A22~1[2==tt===::::===t=±=====i38[j
20
~h
100
~~MMON
g~
~
AMG40030)4
4?
AlO
IC113
~
13
~~~
'-'i'=-----J
1
NCAS
~
3
'-------++---l-...
74LS1S3
.0
r
A15
--.......-'§
J'06
pt'2q:=+=:t=:::A'SOUT
A4
11
I
3~'[3:::ltt±::===::::===tj======:J;dMA3
C?
'
,
°
,
A14 - ~
IC.SIIQ(ETE
~I'
EPIT
A3
5 I 3
~
v 2
2 3 4
56?
B 9
~
hR
'-~r-
1
~
2J..!;!
MA
~
IC101
9~~'§~~~~~
II
Xl
X2
X3
X4
XS
X6
X?
X8
~:::::::;:;:;::;;=t:j:==~=F7~'4HC==I=53=t=7t9:::J'0tgG
8 A
~'~2~::::==:;-i-I--~~_1~2:iMA8
~
74LS1458
10 12
Yl0
IG
I
A9
6
<CASJ
2
2
4
~';":6~+-I-~~--7"2'cl0
DECO
'7
9
13
Y9
CP1Dl,CP102
'
1<0l
AO
RI58
IC105
o<---'-±-
MAIO
~,CiS:-+-I---~~"':~"-lC
0~6
14
Y8
KEYBOARD
(+5V)
6a
n
4LS153
H-:f-+-I------';',5~6
< • J 5 15
Y7
CONNECTOR
I
~J<S~
A2
....
_=vv=--:f-f-
__
-J--I-
__
-l---1---1-',l1~,
3
'3
54
MAl
14
.6
~l.K6.,,=~--===-.J
5
<RASl
3
CO
~
=
~
A I
:~
~~
cJ(80-
Al
...
----if-f---+-I----l---1~'-4HC---''-l,~
7"';
~
::~
T 19
Y3
'ALL
OUT
FGIR
128K IN
FOR
64K
J
R1SO
4?
~
RA3
Q'OI
<0>
5
20
~~
RI51
47
HI46
4?
~--+_+-_~_-o-,2S21-l
CCLK
2 Se21Z0Y R
147
47
\35
~T
RI4S
ICla?
M
5LB255AP-5
P.I.O
ICll
I
Z8400AP5
c.£..I.l.
ZC
SOCKET
21
22
20
A'S
AO
~r
'77
07
~vee
...illL..Z
GND
'"
<+5'/)
::J:
o
~
lo~
I,
10M
1
;~~~~32
;~~~~32
0:
oiT~~119~11
101,~~32
~~k132
....
-+'CW
....
-!I?
I?
I 3 4 6
1Il
-
1M
IC117
ff ff
u
T'd
~
74HCtJ04 2 5
RESET
<+5V
RI02
2.2K
I
o )
ii\iSREsET
.--.J
126
+SV
31
00800
07
.....
--~wv-----_
<+5V
J
RD.
WR
IORQ
<32X33X31>
<HS-CMOS
_USE,
1 2 3 4 5 6 7 8
91011121314151617
1819202122Z3242526'Z728293031
32333435$373839404142
434445464?4S4950
sa..w A15 A13
A11
A9 A?
AS
A3
A1
D?
os
03
Dl
(+5V)
M1
IORQ
iR
"'iNT
i.i:5RQ
READY
RESETROMOIS RAK>JS L
PEN
GNJ
13M) A
14
A
12
Ala
AS AS
A4 A2
AD
C6
04
D2
IX]
MREQ
RFSH
RO
HALT
....,
BUSAK
BlIS
~
RAMRi5
CURSOR
EXP
¢
RESET
11
m
l 111111111111111111111111111111111111111111111
1°
1
M208-01
1-3583
CHASSIS
SCHEMATIC
DIAGRAM
PCB
MCO009A
NOTE'
THIS
SCHEMATIC
DIAGRAM
IS
THE
LATEST
AT
THE
TIME
OF
PRINTING
AND
stJB..JECT
TO
CHANGE
WITHOUT
NOTICE.
50WAY
0.1·
EDGE CONN
EXP
ANS
ION
CONNECTOR
lORD
6
4.?K
4
~
R'54
19
20