EasyManua.ls Logo

andrews CSC 39 - Page 16

andrews CSC 39
44 pages
Print Icon
To Next Page IconTo Next Page
To Next Page IconTo Next Page
To Previous Page IconTo Previous Page
To Previous Page IconTo Previous Page
Loading...
INSTALLATION SECTION 3
11
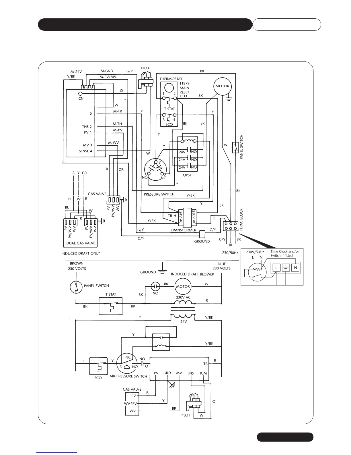
Fig 4.
Wiring Diagram for LPG Appliance

Related product manuals