EasyManua.ls Logo

Anthem AVM 2 - Page 24

Anthem AVM 2
70 pages
Print Icon
To Next Page IconTo Next Page
To Next Page IconTo Next Page
To Previous Page IconTo Previous Page
To Previous Page IconTo Previous Page
Loading...
19
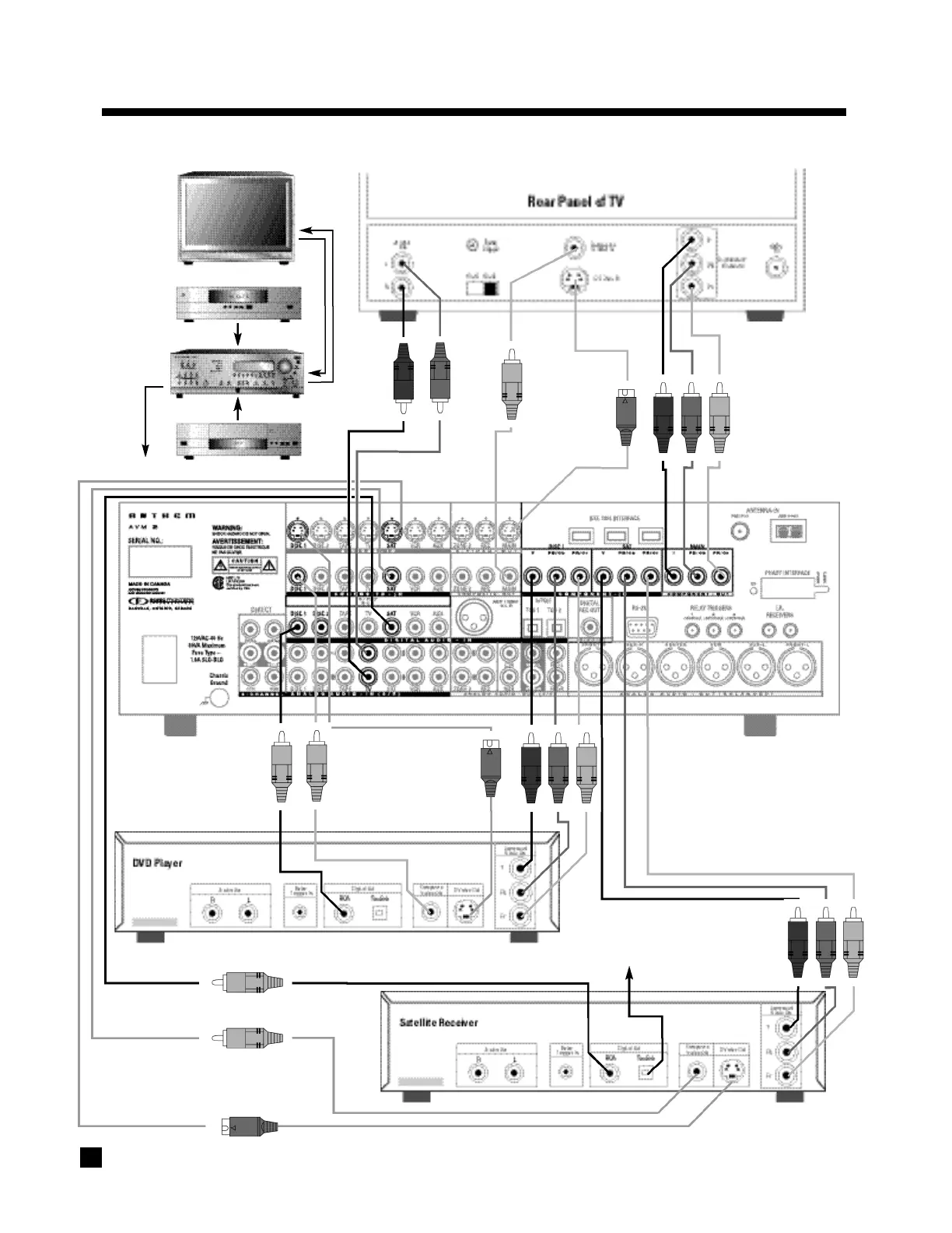
4. CONNECTIONS continued …
DVD Player, Satellite Receiver, and TV Connections with AVM 2 as Video Input Selector
Amplifier(s)
NOTE:
Component Video
use is OPTIONAL
(see sections
4.3.3 and 7.4.9)
NOTE: S-Video
use is OPTIONAL
(see section 4.3.2)
Connect Power Amplifiers
as outlined in fig 2.2.4 (a or b)
Toslink can be
connected to TOS2
(optional – see section
4.2.1 and 7.4.2)
NOTE: S-Video or
Component Video
use is OPTIONAL
(see sections
4.3 and 7.4.9)
NOTE: S-Video or
Component Video
use is OPTIONAL
(see sections
4.3.2, 4.3.3 and
7.4.9)

Table of Contents