EasyManua.ls Logo

Anthos L6 CONTINENTAL - Dimensional Characteristics of A5 Cart Model

Default Icon
122 pages
Print Icon
To Next Page IconTo Next Page
To Next Page IconTo Next Page
To Previous Page IconTo Previous Page
To Previous Page IconTo Previous Page
Loading...
A3 PLUS - A5 - A6 PLUS - L6
SURGICAL SINGLE CART
EN
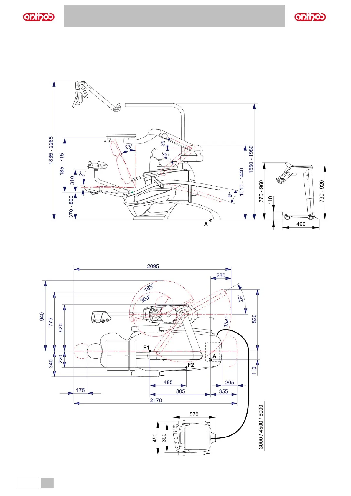
11.5. DIMENSIONAL CHARACTERISTICS OF A5 CART MODEL

Table of Contents

Related product manuals