EasyManua.ls Logo

Anthos L6 CONTINENTAL - DIMENSIONAL CHARACTERISTICS of L6 CONTINENTAL MODEL in HYBRID Version

Default Icon
122 pages
Print Icon
To Next Page IconTo Next Page
To Next Page IconTo Next Page
To Previous Page IconTo Previous Page
To Previous Page IconTo Previous Page
Loading...
A3 PLUS - A5 - A6 PLUS - L6
SURGICAL SINGLE CART
EN
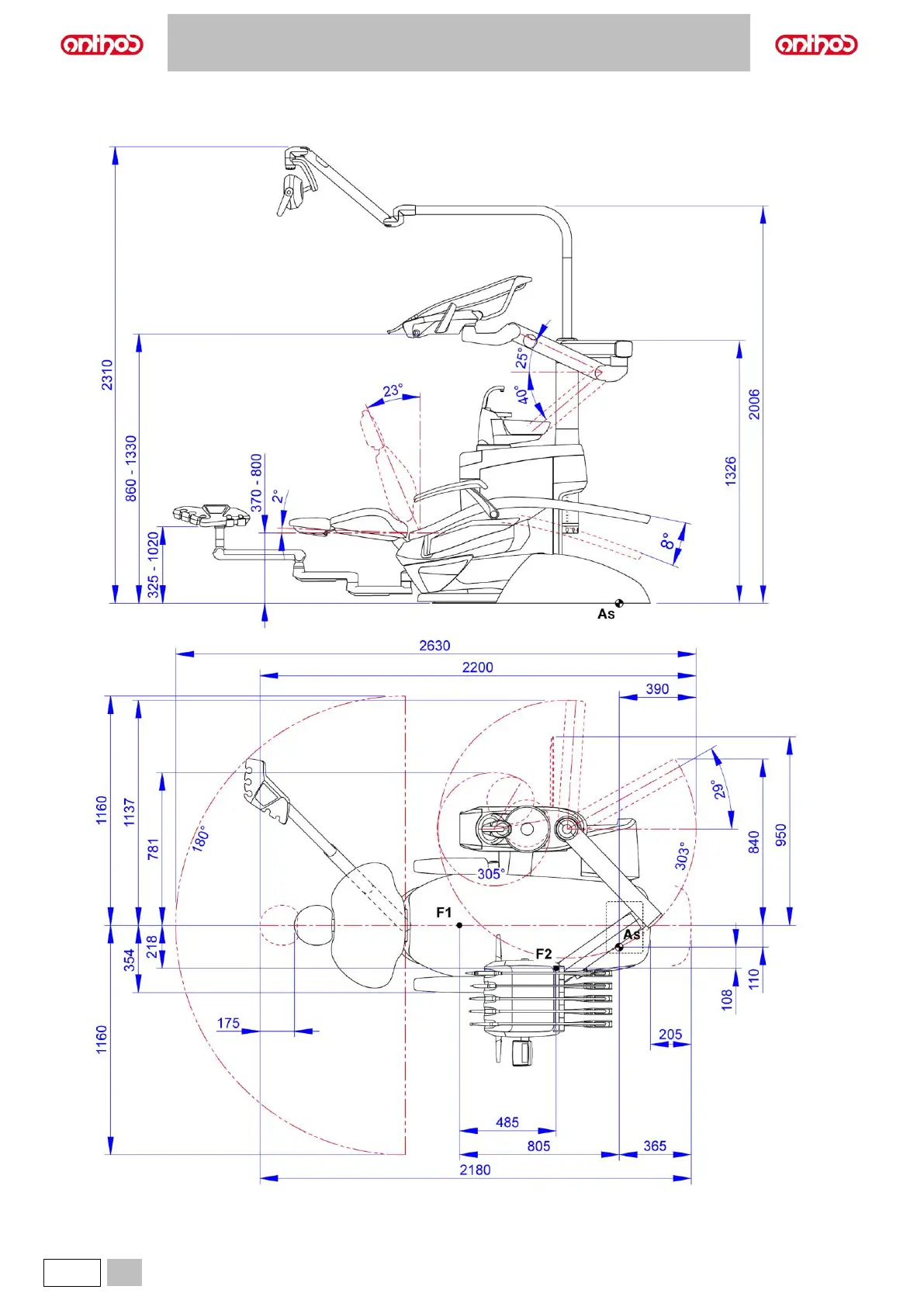
11.11. DIMENSIONAL CHARACTERISTICS OF L6 CONTINENTAL MODEL in HYBRID version

Table of Contents

Related product manuals