EasyManua.ls Logo

Anthos L6 CONTINENTAL - Page 16

Default Icon
122 pages
Print Icon
To Next Page IconTo Next Page
To Next Page IconTo Next Page
To Previous Page IconTo Previous Page
To Previous Page IconTo Previous Page
Loading...
A3 PLUS - A5 - A6 PLUS - L6
SURGICAL SINGLE CART
EN
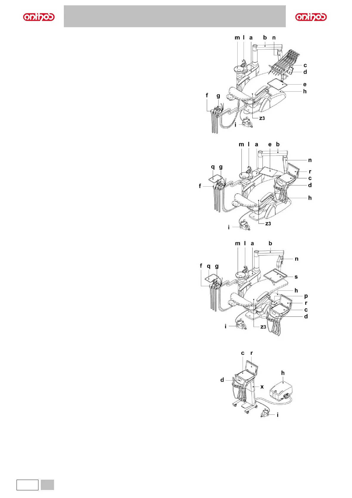
Model L6 CONTINENTAL, HYBRID version (SN. 71H4xxxx)
Model L6 INTERNATIONAL (SN. 71H2xxxx)
Model L6 SIDE DELIVERY (SN. 71H3xxxx)
Model SURGICAL SINGLE CART (SN. 71HSxxxx)

Table of Contents

Related product manuals