EasyManua.ls Logo

AOC e2051Sn - Page 29

AOC e2051Sn
53 pages
Print Icon
To Next Page IconTo Next Page
To Next Page IconTo Next Page
To Previous Page IconTo Previous Page
To Previous Page IconTo Previous Page
Loading...
29
R841
2.2OHM 1/10W
R842
2.2OHM 1/10W
R819
33K 1/16W 5%
+
C811
NC/470uF 16V
R809
6.2KOHM +-1% 1/10W
Q806
P8008HV
S1
1
G1
2
S2
3
G2
4
D1
8
D1
7
D2
6
D2
5
R803
33K 1/16W 5%
C801 0.47uF 16V
+12V
2010/2/9
R816
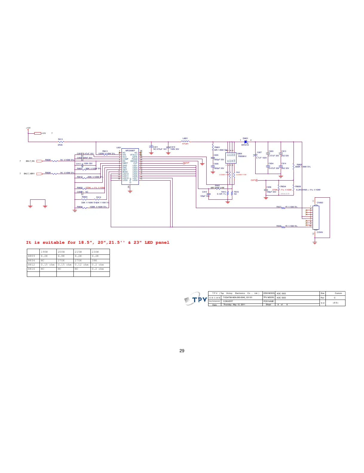
6.8K
0.15 ohm
BKLT_EN7
0.2 ohm
BKLT_VBR17
NC
+12V 7
190W
R809
0.2 ohm
6.2K
NC
230W
R834
200W
NC
0.12 ohm
215W
6.2K
R812
R805
300K 1/8W 5%
39K
6.2K
NC
C802 68NF 50V
+
C807
4.7UF 100V
R807 20K 1/10W 5%
L801
47UH
R810 20K 1/10W 5%
D801
BR310
1 2
C808 NC
R801
10R 1/8W 5%
R812
0.12R 1%
270K
0.15 ohm
It is suitable for 18.5", 20",21.5'' & 23" LED panel
270K
R806 1K 1/10W 5%
C809
1000pF 50V
R827 1R 1/10W 5%
C805
1000pF 50V
C813
2N2 50V
R804 100K 1/16W 5%
C814
2N2 50V
U801
MP3389EF
NC
1
VIN
2
VCC
3
COMP
4
EN
5
DBRT
6
GND
7
OSC
8
ISET
9
BOSC
10
LED12
11
LED11
12
LED10
13
LED9
14
LED8
15
LED7
16
LED6
17
LED5
18
LED4
19
LED3
20
LED2
21
LED1
22
OVP
23
ISENSE
24
PGND
25
GATE
26
VFAULT
27
NC
28
E-Pad
29
R808 1K 1/10W 5%
R811
150R 1/10W 5%
OEM MODEL
Size
Rev
Date
Sheet
of
TPV MODEL
PCB NAME
称爹
T P V ( Top Victory Electronics Co . , Ltd. )
Key Component
AOC 50ID C
AOC 50ID
Custom
88Thursday, May 12, 2011
<
称爹
>
CONVERT
715G4798-M0A-000-0040_101101
R843
680 OHM 1/4W
CN803
CONN
1
2
3
4
5
6
7
8
9
10
1112
R834
270K +-1% 1/10W
C803
0.47UF 50V
C804
0.47UF 50V
R816
NC
R813
0R05
R830 1R 1/10W 5%
OVP
C806
100pF 50V
C815
100pF 50V
OVP
C812
100N 50V
R802 270K +-1% 1/10W
C810
100N 50V
All manuals and user guides at all-guides.com

Other manuals for AOC e2051Sn

Related product manuals