EasyManua.ls Logo

Appion G5 Twin - Electrical Diagram; Refrigerant Flow Diagram

Appion G5 Twin
24 pages
Print Icon
To Next Page IconTo Next Page
To Next Page IconTo Next Page
To Previous Page IconTo Previous Page
To Previous Page IconTo Previous Page
Loading...
22
G5TWIN OPERATION MANUAL
© 2022 APPION INC. - ALL RIGHTS RESERVED
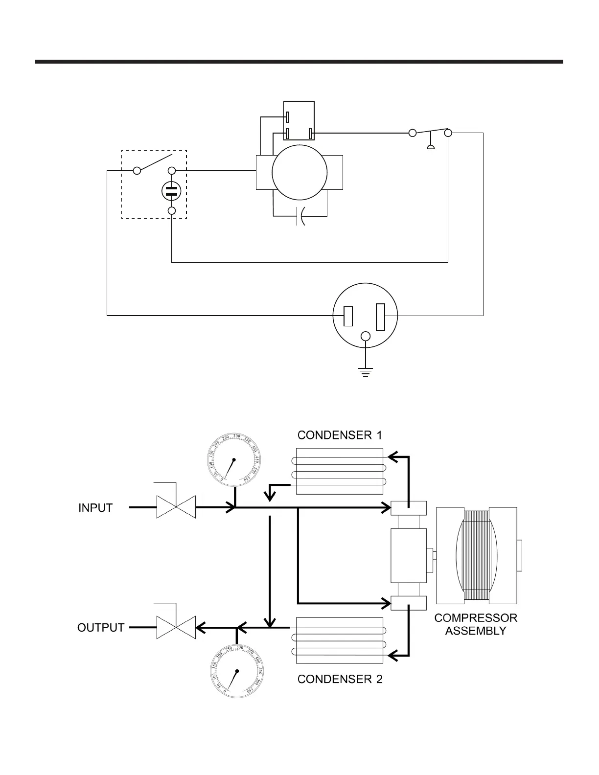
ELECTRICAL DIAGRAM
REFRIGERANT FLOW DIAGRAM
Machine Specifications
1/2 HP
MOTOR
3
1
2
STARTER
RELAY
HI-PRESSURE
SHUT OFF
POWER
SWITCH
LIGHT
WHT
RED
BLK
BLK
BLK
GRN
200mfd
125V

Related product manuals