EasyManua.ls Logo

Appion G5Twin - Page 21

Appion G5Twin
23 pages
Print Icon
To Next Page IconTo Next Page
To Next Page IconTo Next Page
To Previous Page IconTo Previous Page
To Previous Page IconTo Previous Page
Loading...
22
G5TWIN OPERATION MANUAL
© 2016 APPION INC. - ALL RIGHTS RESERVED
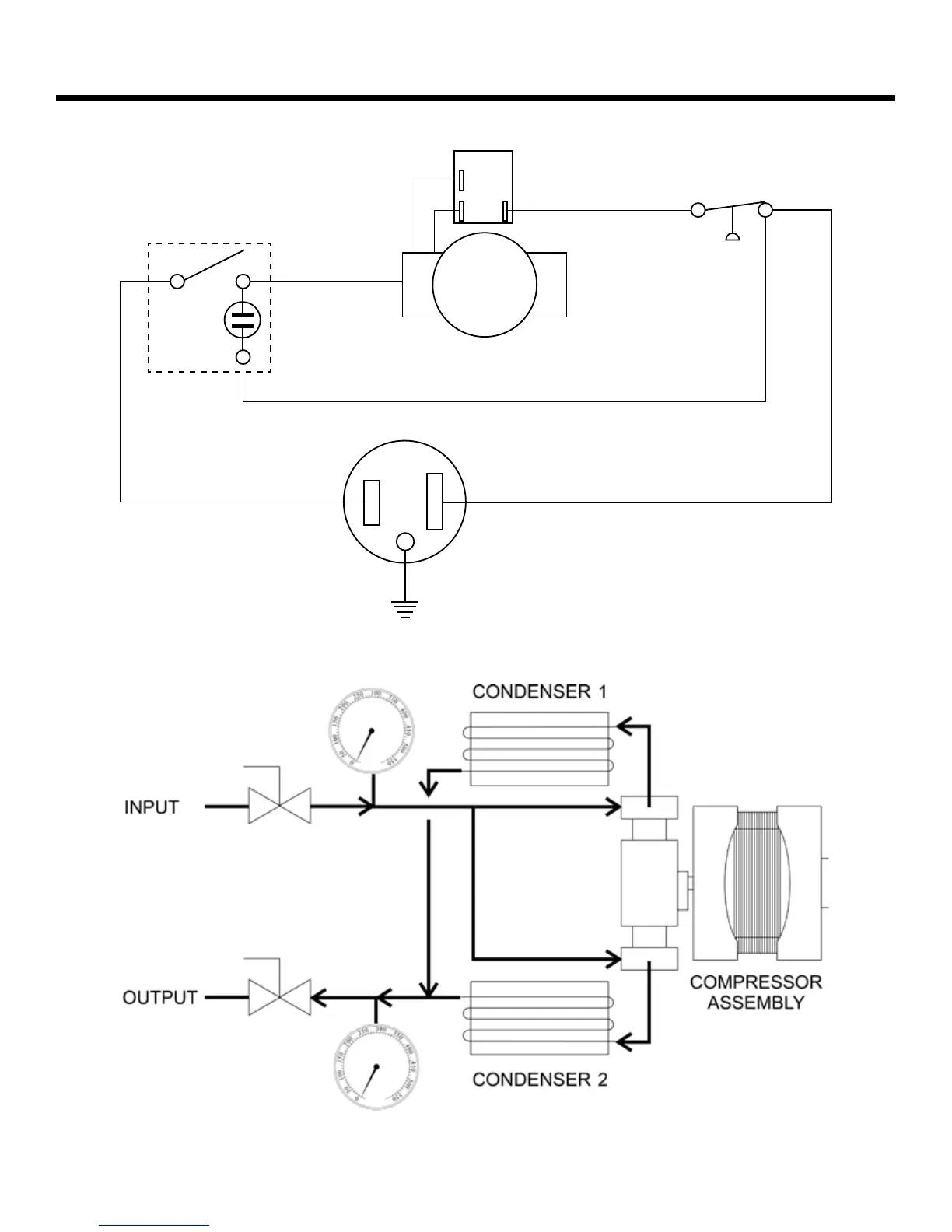
ELECTRICAL DIAGRAM
REFRIGERANT FLOW DIAGRAM
Machine Specications
1/2 HP
MOTOR
3
1
2
STARTER
RELAY
HI-PRESSURE
SHUT OFF
POWER
SWITCH
LIGHT
BLK
WHT
RED
BLK
BLK