EasyManua.ls Logo

arcelik 583650 EB - Ürünün KullanıMı; Gösterge Paneli

arcelik 583650 EB
Print Icon
To Next Page IconTo Next Page
To Next Page IconTo Next Page
To Previous Page IconTo Previous Page
To Previous Page IconTo Previous Page
Loading...
13 / 33 TR
Buzdolabı / Kullanma Kılavuzu
6 Ürünün Kullanımı
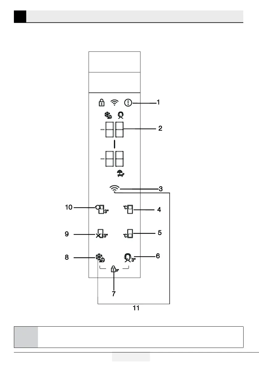
6.2 Gösterge paneli
Gösterge panelleri, ürününüzün modeline göre değișiklik gösterebilir.
Gösterge panelindeki ișitsel ve görsel fonksiyonlar buzdolabınızı kullanmanıza yardımcı olur.
C
*Opsiyonel: Bu kullanım kılavuzunda șekiller șematik olup ürününüzle birebir uyum içinde olmayabilir.
Satın almıș olduğunuz üründe ilgili parçalar yoksa bașka modeller için geçerlidir.

Table of Contents

Related product manuals