EasyManua.ls Logo

arcweld 200i-ST DV - Page 17

Default Icon
84 pages
Print Icon
To Next Page IconTo Next Page
To Next Page IconTo Next Page
To Previous Page IconTo Previous Page
To Previous Page IconTo Previous Page
Loading...
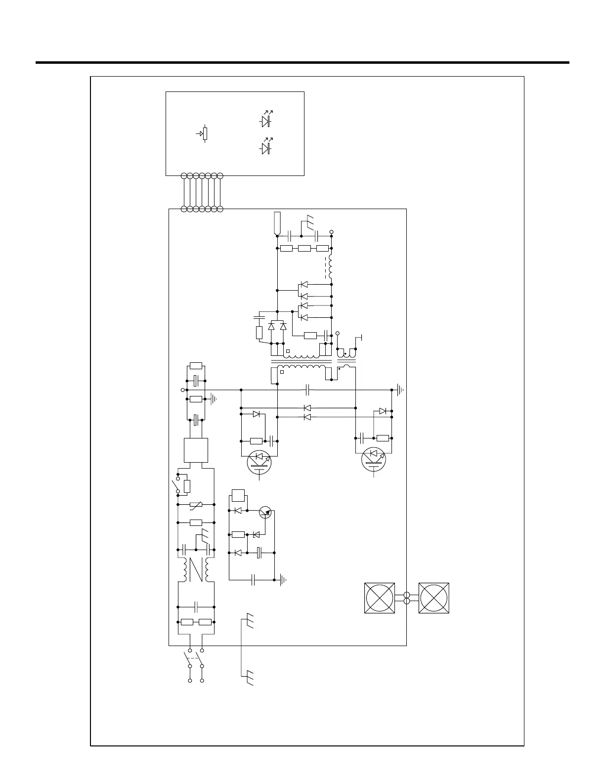
ELECTRICAL DIAGRAM
E-3 E-3
HT+
SALIDA
+
Iac
v
12
12
12
2
5
3
6
4
1
5
1/4
1/2
1/41/4
1
3
-
4
+
2
AGND
SALIDA
-
3
2
1 3
3
4
2 4
4
1
3 4
B
1/4
J
21
A
VR1
Output Control
LED3 LED4
AC2
AC1
Fan
1/4
5
1/4 1/4 1/4
Fan
arcweld
®
200i-ST
VISTA FRONTAL
VISTA POSTERIOR
230V ~

Related product manuals