EasyManua.ls Logo

ARM MPS3 - Page 22

Default Icon
92 pages
Print Icon
To Next Page IconTo Next Page
To Next Page IconTo Next Page
To Previous Page IconTo Previous Page
To Previous Page IconTo Previous Page
Loading...
DDR4 QSPI HDMI
eMMC/µSD
µSDeMMC
HDLCD
NIC-400
MIG7BRAM
QSPI
XIP
QSPI
write
MPS3 FPGA Prototyping Board
NIC memory subsystem
AHB5 to AHB-Lite
AHB5 TrustZone
memory protection
controller
APB4 TrustZone
peripheral
protection controller
AHB5 to APB4
APB4 TrustZone peripheral
protection controller
FPGA
AHB5 to APB4
I
2
C×3
SPI×3
ADC
I
2
C×2
QVGA CLCD and
touchscreen
Audio
APB4 TrustZone
peripheral protection
controller
AHB5 to APB4
Audio
I
2
S×2
LCD
interface
SCC
MCC
UART×6 UART
FPGA
IO regs
Switches
LEDs
Buttons
AHB5 to
ext SRAM
USB
Ethernet
AHB5
TrustZone
peripheral
protection
controller
Default
slave
AHB5
GPIO
Shields/
Pmod
IDAUIDAUIDAU DMA DMA DMA
SIE-200
System IP
for Embedded
CoreSight/Trace
connectors
AHB5 exclusive
access monitor
AHB5 code
interface
AHB5
slave
interface 0
AHB5
slave
interface 1
Debug
interfaces
AHB5
master
interface 0
AHB5
master
interface 1
IoT kit
AHB5
TrustZone
®
master
security
controller
AHB5
TrustZone
master
security
controller
AHB5
TrustZone
master
security
controller
AHB5
TrustZone
master
security
controller
IDAU DMA
AHB-Lite
AHB5
AHB5
AHB5
AHB5
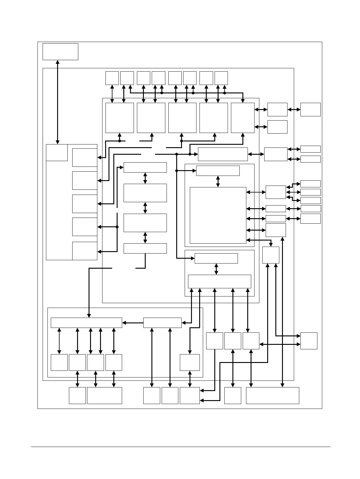
Figure 2-2 Example IoT Kit subsystem design for MPS3
2 Hardware description
2.2 Example Cortex
®
-M33 IoT Kit subsystem design
100765_0000_04_en Copyright © 2017–2020 Arm Limited or its affiliates. All rights
reserved.
2-22
Non-Confidential

Other manuals for ARM MPS3

Related product manuals