EasyManua.ls Logo

Armstrong A95UH - Exhaust Pipe and Condensate Trap Installation; TYPICAL EXHAUST PIPE CONNECTIONS AND CONDENSATE TRAP INSTALLATION IN UPFLOW DIRECT OR NON-DIRECT VENT APPLICATIONS; TYPICAL EXHAUST PIPE CONNECTIONS AND CONDENSATE TRAP INSTALLATION IN HORIZONTAL DIRECT OR NON-DIRECT VENT APPLICATIONS

Armstrong A95UH
48 pages
Print Icon
To Next Page IconTo Next Page
To Next Page IconTo Next Page
To Previous Page IconTo Previous Page
To Previous Page IconTo Previous Page
Loading...
506501-01 Page 19 of 48Issue 1031
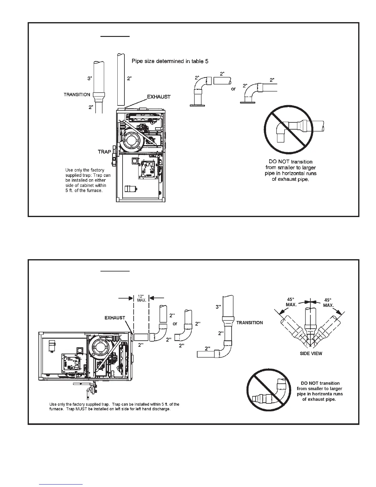
TYPICAL EXHAUST PIPE CONNECTIONS AND CONDENSATE TRAP INSTALLATION
IN UPFLOW DIRECT OR NON-DIRECT VENT APPLICATIONS
Figure 22
Figure 23
TYPICAL EXHAUST PIPE CONNECTIONS AND CONDENSATE TRAP INSTALLATION
IN HORIZONTAL DIRECT OR NON-DIRECT VENT APPLICATIONS
(RIGHT HAND DISCHARGE SHOWN)

Related product manuals