EasyManua.ls Logo

Armstrong A96UH2E - Page 48

Armstrong A96UH2E
59 pages
Print Icon
To Next Page IconTo Next Page
To Next Page IconTo Next Page
To Previous Page IconTo Previous Page
To Previous Page IconTo Previous Page
Loading...
507581-04Page 48 of 59 Issue 1933
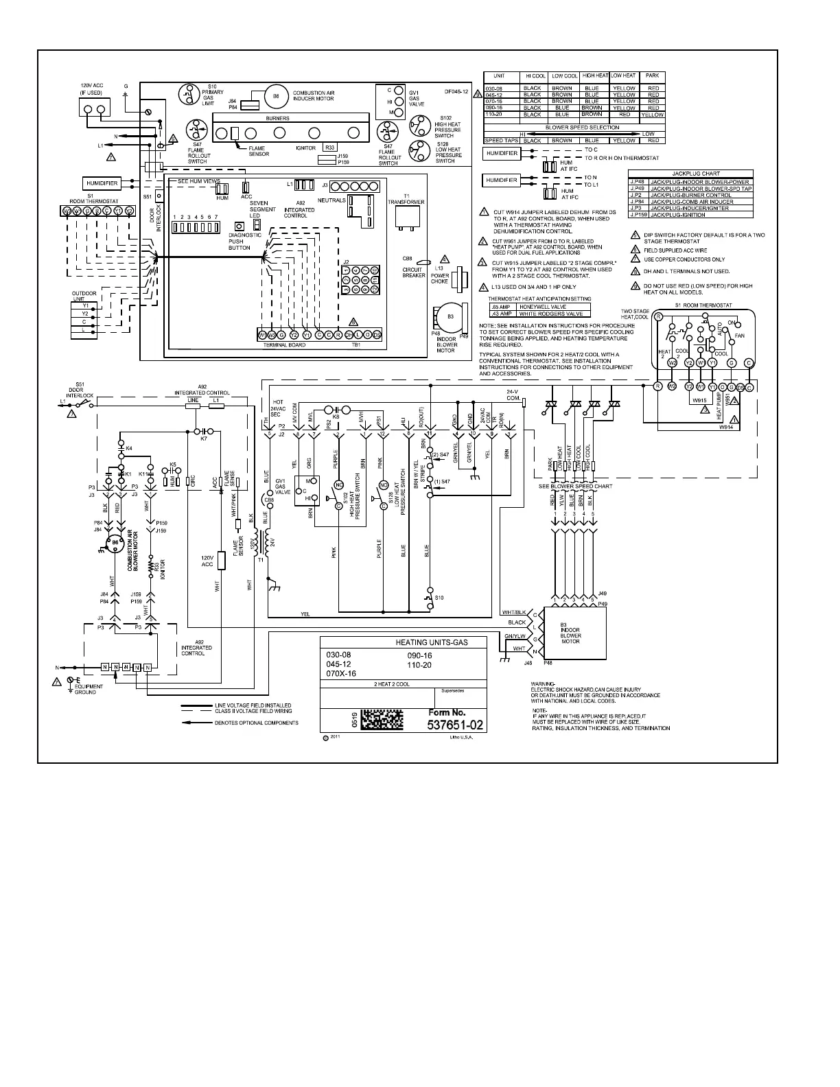
Figure 66.

Related product manuals