EasyManua.ls Logo

ARTronic T6K - 3. Principle of Operation; 3.1 The basic circuit of power supply; 3.2 Power-on circuit

Default Icon
24 pages
Print Icon
To Next Page IconTo Next Page
To Next Page IconTo Next Page
To Previous Page IconTo Previous Page
To Previous Page IconTo Previous Page
Loading...
4
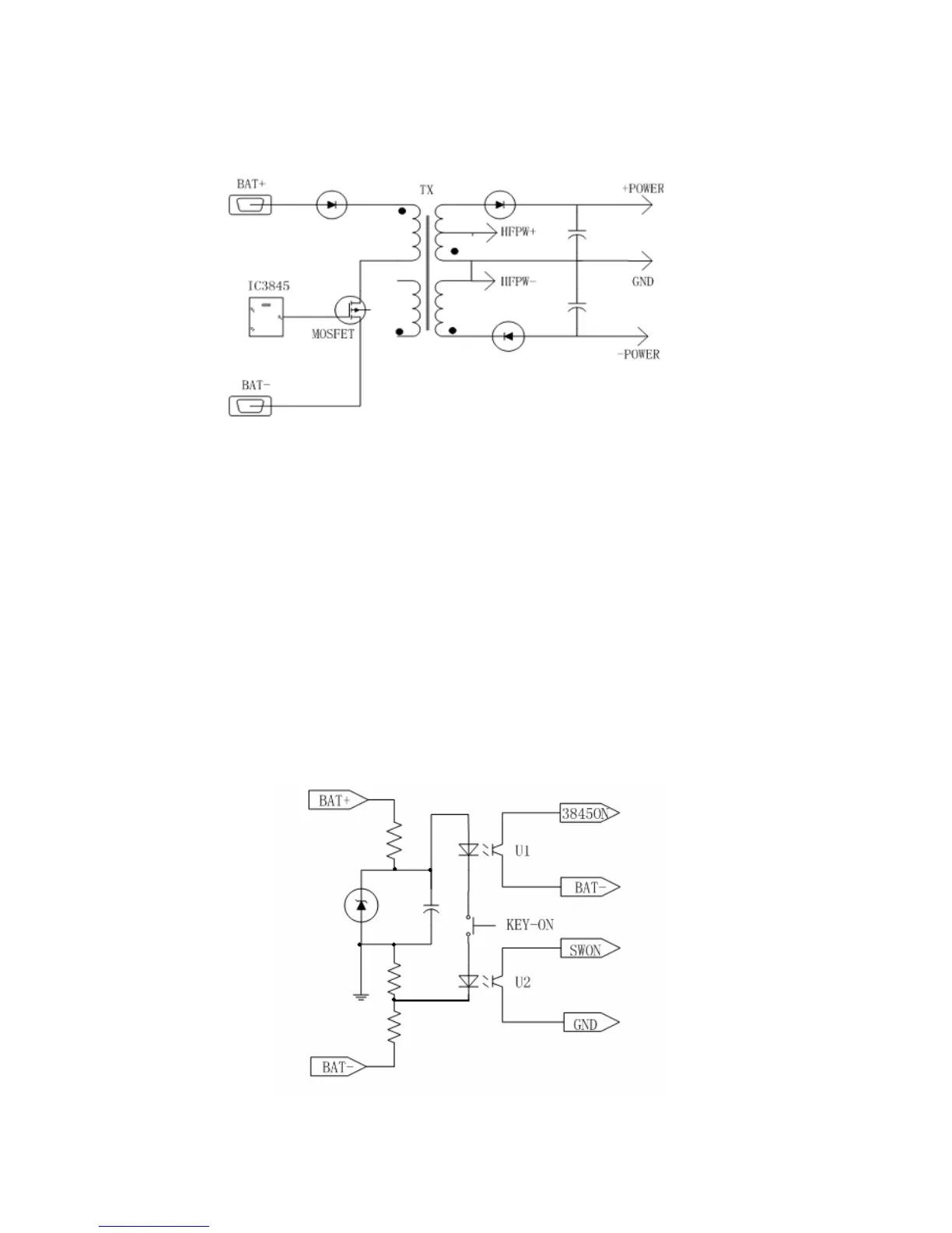
3. Principle of Operation
3.1. The basic circuit of power supply
Basic circuit of power supply
This is a flyback converter topology. When the MOSFET is on, all rectifier diodes are
reverse-based and all output capacitors supply currents to the load. The primary wire
acts like a pure inductor and load current builds up linearly in it to a peak lp. When the
MOSFET is off, the primary stored energy 1/2Llp
2
is delivered to the secondary to
supply load current and replenish the charge on output capacitors that they had lost
when the MOSFET was on. This circuit has some output voltages as follows: +20V,
±15V, 12V, 5V, 12VFan, HFPW±. The power of ±15V, 12V, 5V supply a
steady voltage for all kinds of IC and other device. The 12VFanis supplied for fans
and relays. The HFPW± supply a high frequency power for the charger of a long
backup time model UPS and some other drive board.
3.2. Power-on circuit
Power-on Circuit

Related product manuals