EasyManua.ls Logo

Arturia AUDIOFUSE - Page 22

Arturia AUDIOFUSE
49 pages
Print Icon
To Next Page IconTo Next Page
To Next Page IconTo Next Page
To Previous Page IconTo Previous Page
To Previous Page IconTo Previous Page
Loading...
Note on Phantom Power: The phantom power is rated 14 mA per channel.
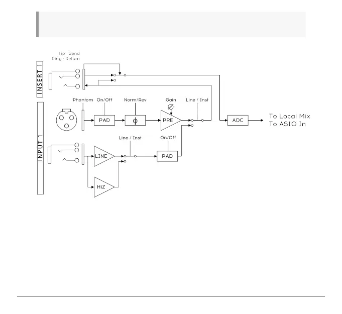
Input channel 1&2 path
17 Arturia - User Manual AudioFuse - Getting started

Related product manuals