EasyManua.ls Logo

Astralpool 42350 - Page 38

Astralpool 42350
105 pages
Print Icon
To Next Page IconTo Next Page
To Next Page IconTo Next Page
To Previous Page IconTo Previous Page
To Previous Page IconTo Previous Page
Loading...
3
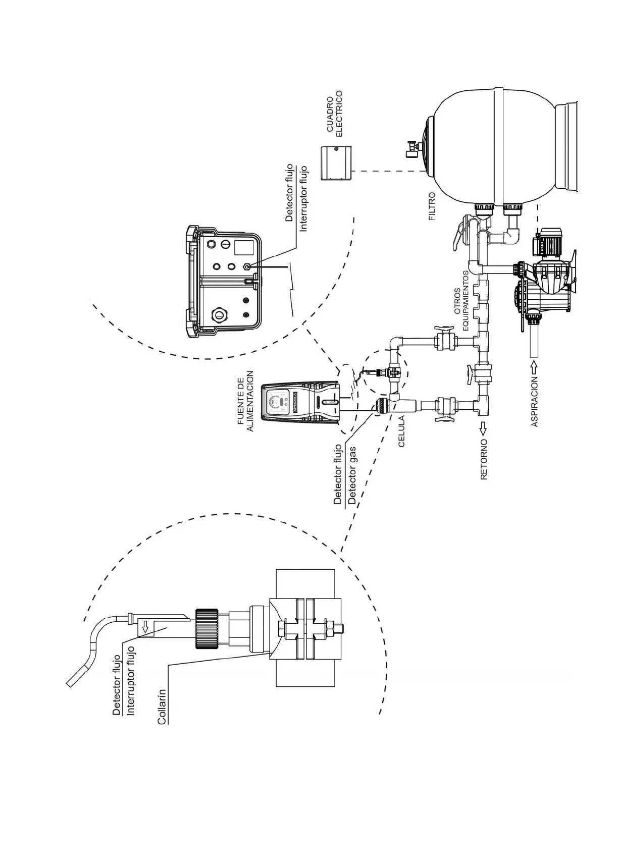
Fig.1 Diagrama de instalación recomendada.

Related product manuals