EasyManua.ls Logo

Astralpool 42350 - Page 60

Astralpool 42350
105 pages
Print Icon
To Next Page IconTo Next Page
To Next Page IconTo Next Page
To Previous Page IconTo Previous Page
To Previous Page IconTo Previous Page
Loading...
8
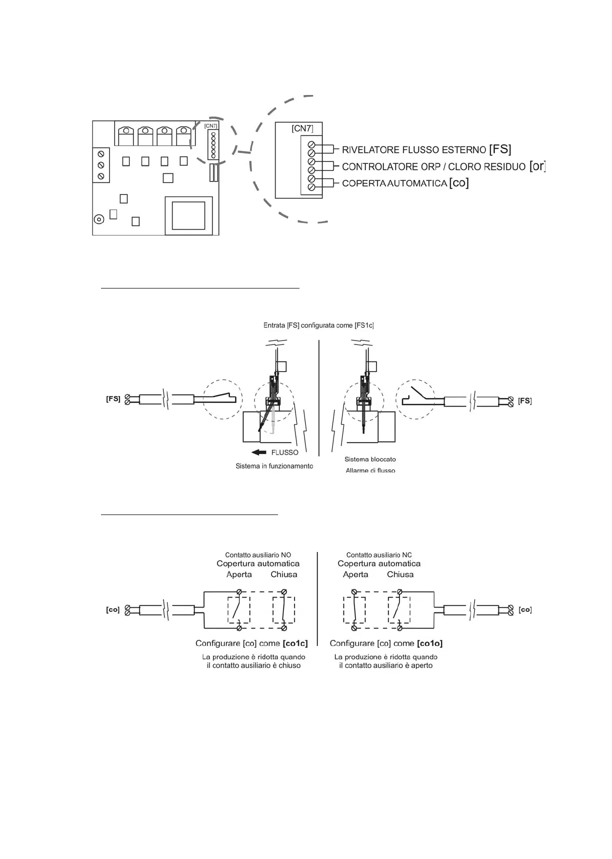
Oltre alle operazioni base, il Sistema per l’Elettrolisi del Sale AstralPoolChlore Smart+ dispone di tre entrate per contatti liberi da tensione, i
quali consentono il collegamento di controlli esterni aggiuntivi. Tali entrate si trovano nel connettore [CN7] del circuito principale dell’unità
situato alla base della stessa (Fig. 13).
Fig. 13
È possibile programmare la logica associata a queste tre entrate durante il processo di configurazione del sistema (cfr. Sezione 5.2)
z [FS] CONTROLLO RIVELATORE FLUSSO ESTERNO: entrata per contatto libero di tensione. Quando il contatto collegato a questa
entrata è aperto (rivelatore di flusso in riposo), il sistema di elettrolisi viene scollegato dall'allarme di flusso. Collegare i cavi del
rivelatore di flusso esterno all’entrata corrispondente [FS] situata nella scheda di controllo principale dell’unità.
Fig. 14
z [co] CONTROLLO COPERTURA AUTOMATICA: entrata per conttato libero di tensione. Questa entrata consente, a seconda dello
stato del contatto collegato alla stessa, e posizionato nel quadro elettrico della copertura automatica, di impostare una riduzione della
corrente di uscita del sistema su una percentuale del suo valore nominale.
Fig. 15

Related product manuals