EasyManua.ls Logo

Astralpool 42350 - Page 77

Astralpool 42350
105 pages
Print Icon
To Next Page IconTo Next Page
To Next Page IconTo Next Page
To Previous Page IconTo Previous Page
To Previous Page IconTo Previous Page
Loading...
8
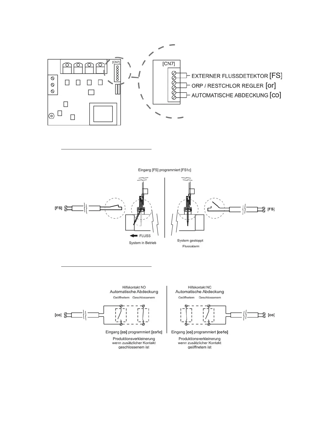
Außer den grundlegenden Aufgaben besitzen die AstralPoolChlore Smart+-Salzelektrolysesysteme drei Eingänge für spannungsfreie Kontakte,
an die zusätzliche externe Kontrollvorrichtungen angeschlossen werden können. Diese Eingänge befinden sich am Schalter [CN7] des
Hauptkreislaufs des darunter befindlichen Geräts (Abb. 13).
Abb. 13
Die diesen beiden Eingängen zugeordnete Logik kann während der Systemkonfiguration programmiert werden (siehe Abschnitt 5.2).
z [FS] Kontrolle EXTERNER FLUSSDETEKTOR: Eingang für spannungsfreien Kontakt. Öffnet sich der an diesen Eingang
angeschlossene Kontakt (externer Flussdetektor im Ruhezustand), schaltet sich das Elektrolysesystem wegen Flussalarm aus.
Kabel des externen Flussdetektors an den entsprechenden Eingang [FS] auf der Hauptkontrollkarte der Einheit + anschließen.
Abb. 14
z [co] Kontrolle AUTOMATISCHE ABDECKUNG: Eingang für spannungsfreien Kontakt. Mit diesem Eingang kann je nach
Zustand des daran angeschlossenen Kontakts auf der elektrischen Steuertafel der automatischen Abdeckung eine Senkung des
Ausgangsstroms des Geräts auf einen Prozentsatz seines Nennwerts programmiert werden.
Abb. 15

Related product manuals