EasyManua.ls Logo

Astralpool Asralpool Chlore Smart 30 - Page 19

Astralpool Asralpool Chlore Smart 30
92 pages
Print Icon
To Next Page IconTo Next Page
To Next Page IconTo Next Page
To Previous Page IconTo Previous Page
To Previous Page IconTo Previous Page
Loading...
3
4. INSTALLATION:_________________________________________________________________________________________________
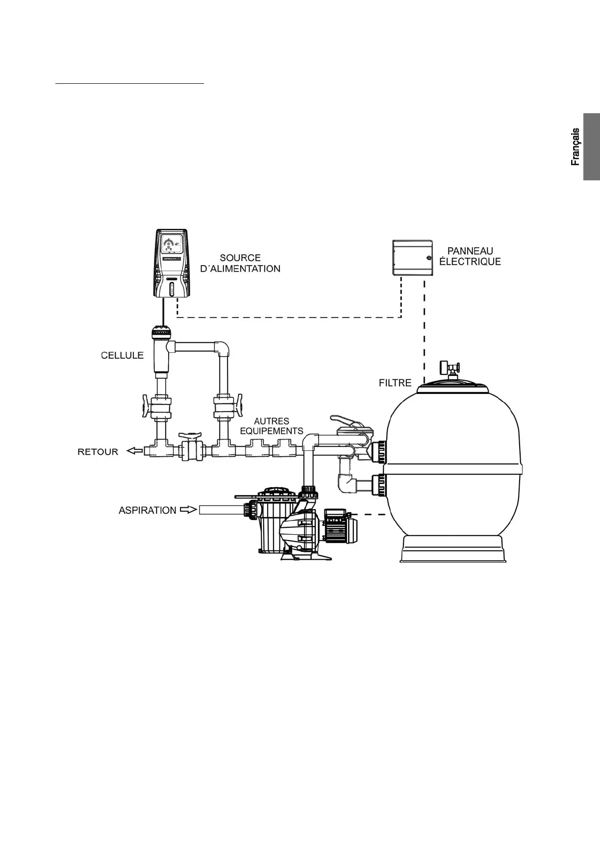
4.1. Installation de la source d’alimentation
Toujours installer la SOURCE D’ALIMENTATION du système Astralpool Chlore de façon VERTICALE et sur une surface (mur) rigide de la
même mode que sur le diagramme d’installation recommandée. Pour garantir son bon état de conservation, vous devez essayer de toujours
installer l’équipement dans un endroit sec et bien ventilé. Le degré d’étanchéité de la SOURCE D’ALIMENTATION du système Astralpool
Chlore ne permet pas son utilisation en plein air. La SOURCE D’ALIMENTATION devra préférablement être installée suffisamment loin de la
cellule d’électrolyse de façon à ce qu’elle ne puisse pas subir d’éclaboussure d’eau accidentellement.
Très important: évitez la formation de milieux corrosifs dus aux solutions qui diminuent le pH (concrètement celles formulées avec acide
chlorhydrique « HCI »). Ne pas installer jamais le système Astralpool Chlore près des lieux de stockage de ces produits. Nous
recommandons spécialement l'utilisation de produits basés en bisulfate sodique ou acide sulfurique dilué
La connection de la source d’alimentation au réseau électrique doit s’effectuer sur le cadrant de manoeuvre du épurateur, de façon que la
bombe et le système Astralpool Chlore se connectent de façon simultanée.
Fig.1 Diagramme d'installation recommandée.

Related product manuals