EasyManua.ls Logo

Astralpool Smart+ 60 - Page 159

Astralpool Smart+ 60
172 pages
Print Icon
To Next Page IconTo Next Page
To Next Page IconTo Next Page
To Previous Page IconTo Previous Page
To Previous Page IconTo Previous Page
Loading...
17
5.5. Controlador pH integrado
O controlador de pH integrado vem ajustado pela fábrica com os seguintes parâmetros de programação
Valor programado de pH = “7.2 “
IMPORTANTE: para chegar a uma correcta regulação do pH, assegure-se de que a alcalinidade da água está no intervalo recomendado,
entre 80-150 ppm de CaCO
3
. Utilize um kit para verificar o nível de alcalinidade total da água, e ajuste-o manualmente caso seja necessário.
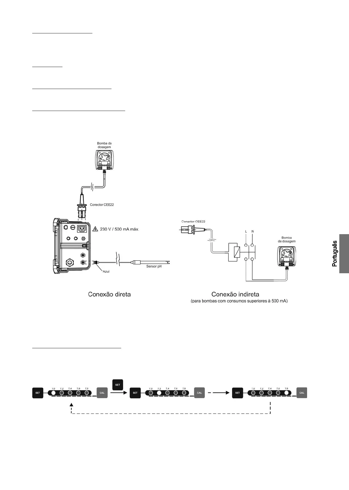
5.5.1. CONEXÃO DO SENSOR DE PH
Conectar o sensor de pH fornecido com a unidade ao conector BNC correspondente situado na base de a unidade (Fig. 24).
5.5.2. CONEXÃO DA BOMBA DE DOSAGEM
Os sistemas Astralpool Chlore Smart+PH dispõem de uma ligação na sua base para a conexão de uma bomba doseadora para controlo do
pH da água da piscina. A bomba doseadora pode ligar-se através do conector CEE22 fornecido em conjunto com o equipamento para esse
fim (Fig. 24).
Fig. 24
5.5.3. PROGRAMAÇÃO DO VALOR DE PH
Manter premida a tecla “ SET “ [21] até que o led indique o valor de pH desejado dentro do alcance de 7.0 – 7.8. Uma vez seleccionado,
largar a tecla.
Fig. 25

Related product manuals