EasyManua.ls Logo

Astralpool Smart+pH 160 - Page 42

Astralpool Smart+pH 160
172 pages
Print Icon
To Next Page IconTo Next Page
To Next Page IconTo Next Page
To Previous Page IconTo Previous Page
To Previous Page IconTo Previous Page
Loading...
12
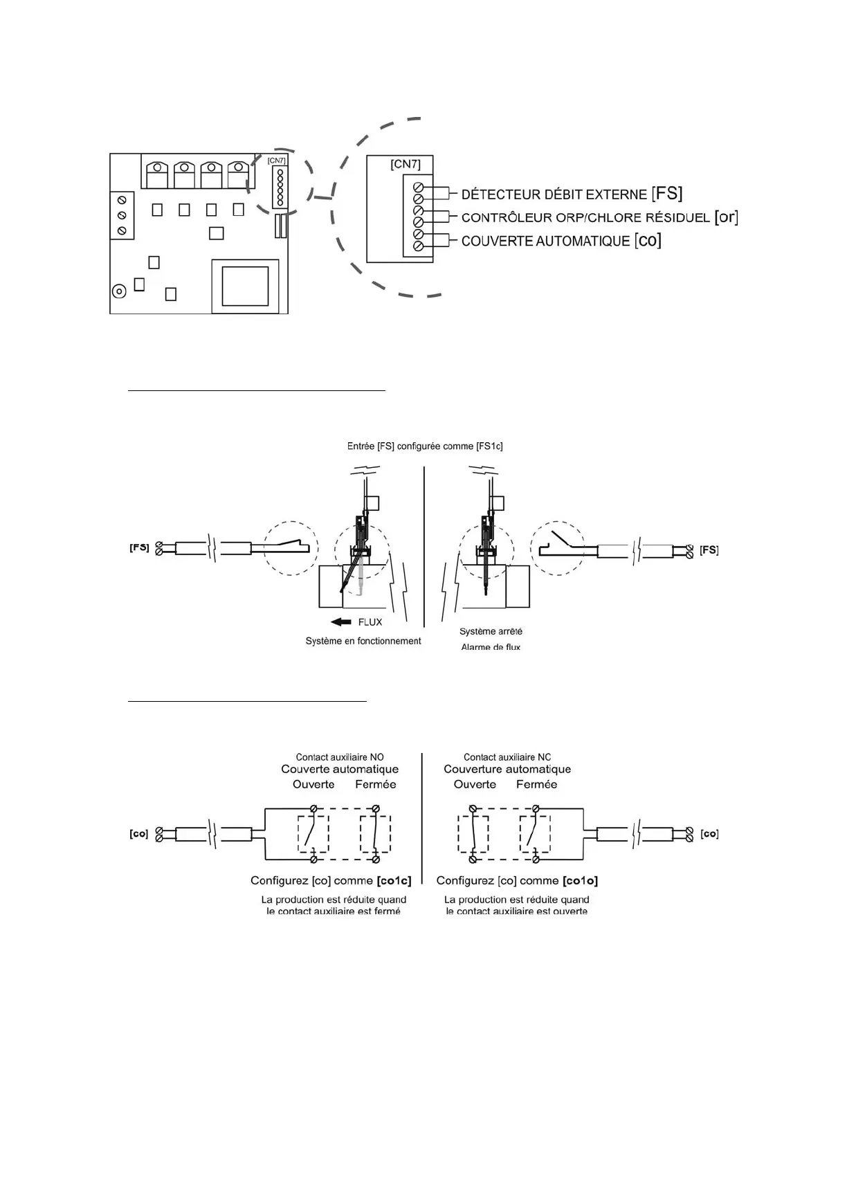
En plus des opérations de base, le Système d’Électrolyse de Sel AstralPoolChlore Smart+ dispose de trois entrées pour contacts libres de
tension, lesquels permettent la connexion de contrôles externes complémentaires. Ces entrées sont situées dans le connecteur [CN7] du
circuit principal de l’unité situé à sa base (Fig. 15).
Fig. 15
La logique associée à ces trois entrées peut être programmée pendant le processus de configuration du système (voir section 5.2).
[FS] CONTRÔLE DÉTECTEUR DÉBIT EXTERNE: entrée pour contact libre de potentiel. Lorsque le contact connecté à cette
entrée s’ouvre (détecteur de flux externe au repos), le système d’électrolyse se déconnecte pour alarme de flux. Connecter les
câbles du détecteur de flux externe à l’entrée correspondante [FS] située dans la carte de contrôle principale de l’unité.
Fig. 16
[co] CONTRÔLE COUVERTE AUTOMATIQUE: entrée pour contact libre de potentiel. Cette entrée permet, en fonction de l’état
du contact qui y est connecté et qui est situé dans le tableau électrique de la couverture automatique, de programmer une
réduction du courant de sortie de l’équipement à un pourcentage de sa valeur nominale.
Fig. 17

Related product manuals