EasyManua.ls Logo

Astralpool Smart+pH 160 - Page 5

Astralpool Smart+pH 160
172 pages
Print Icon
To Next Page IconTo Next Page
To Next Page IconTo Next Page
To Previous Page IconTo Previous Page
To Previous Page IconTo Previous Page
Loading...
3
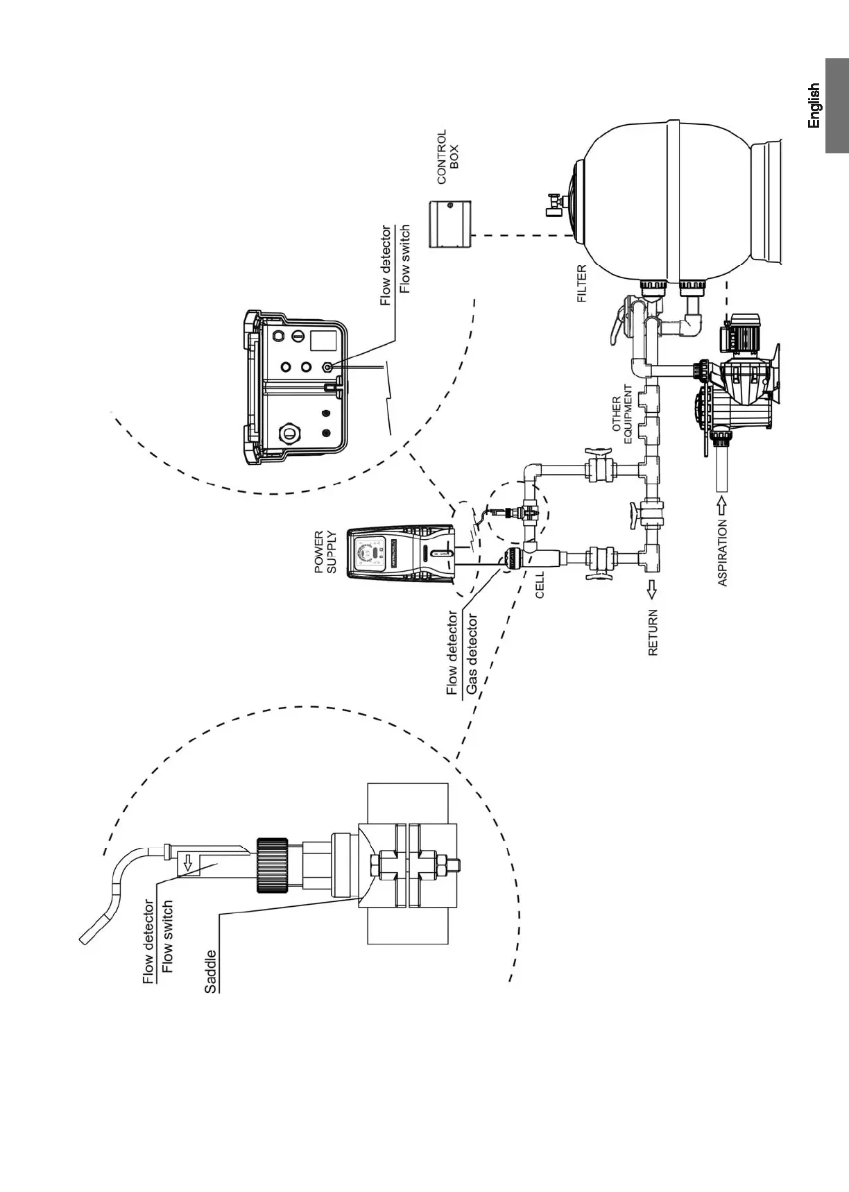
Fig.1a. Smart+ systems. Recommended installation diagram.

Related product manuals