EasyManua.ls Logo

Atlantic Boilers ESB T-2000 - Page 4

Default Icon
25 pages
Print Icon
To Next Page IconTo Next Page
To Next Page IconTo Next Page
To Previous Page IconTo Previous Page
To Previous Page IconTo Previous Page
Loading...
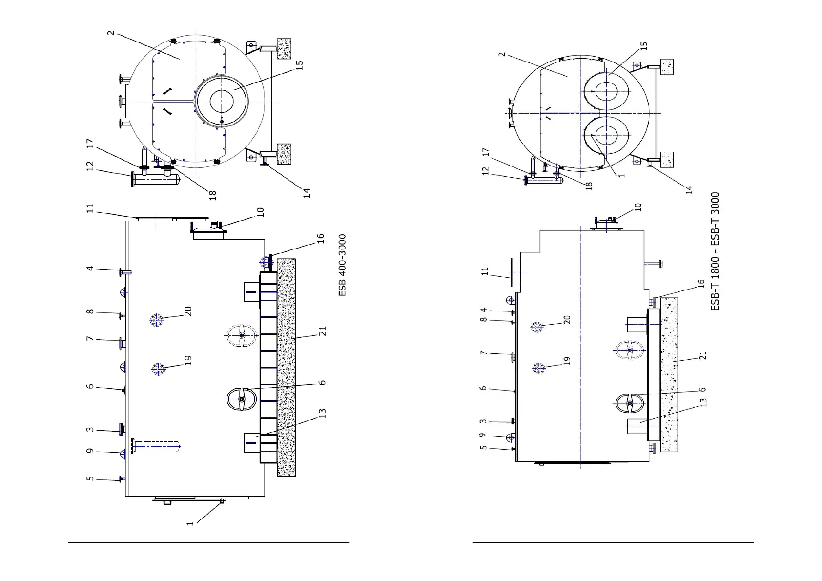
erensan°
“The Heating Engineer
- 9 –
280111
erensan°
“The Heating Engineer
- 10 –
280111

Table of Contents

Related product manuals