EasyManua.ls Logo

Atlas Copco LE9N

Atlas Copco LE9N
28 pages
To Next Page IconTo Next Page
To Next Page IconTo Next Page
To Previous Page IconTo Previous Page
To Previous Page IconTo Previous Page
Loading...
Industrial Air Division
2920 5997 03
22
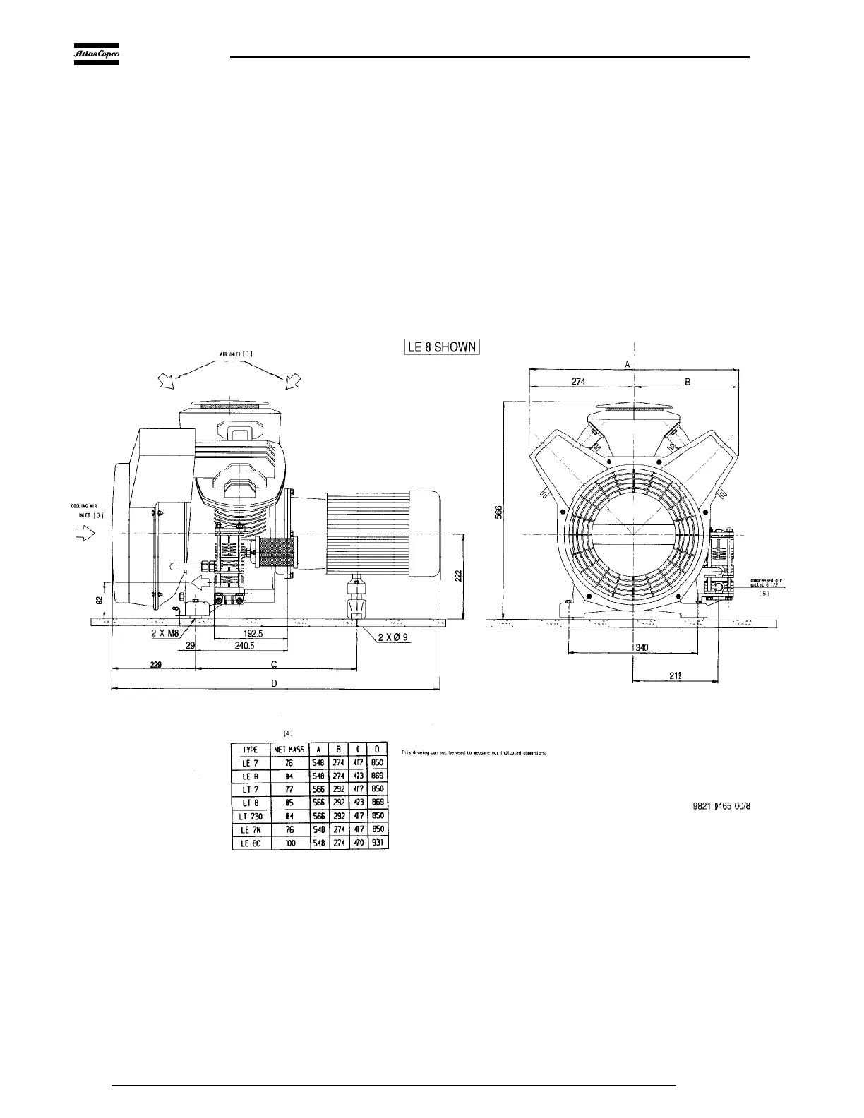
Fig. 15. LE7, -7N, -8, -8C/LT7, -8, -730 Power Pack

Related product manuals