EasyManua.ls Logo

Atlas Copco LE9N

Atlas Copco LE9N
28 pages
To Next Page IconTo Next Page
To Next Page IconTo Next Page
To Previous Page IconTo Previous Page
To Previous Page IconTo Previous Page
Loading...
Industrial Air Division
212920 5997 03
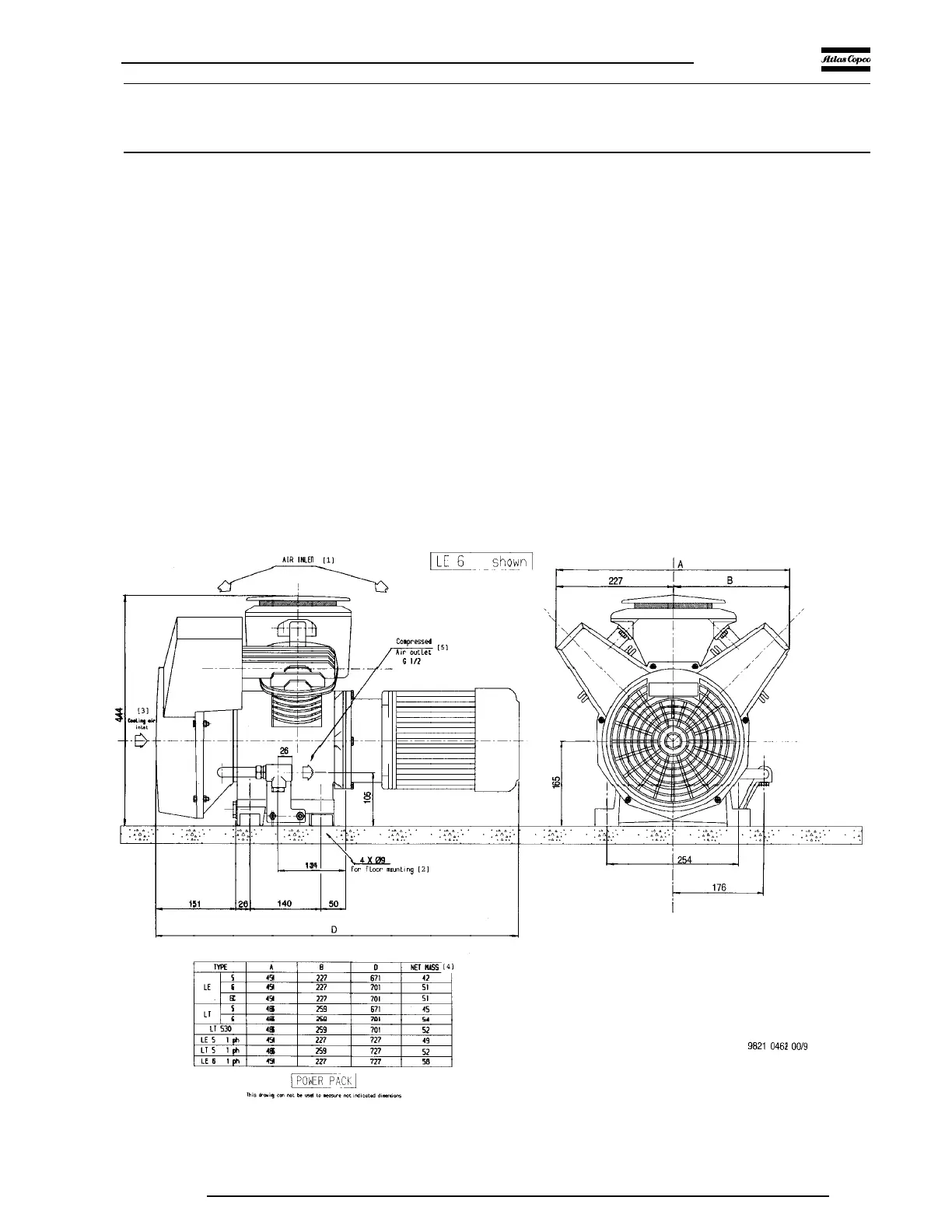
10 Dimension drawings
[1] Air inlet
[2] For floor mounting
[3] Cooling air inlet
[4] Net mass
[5] Compressed air outlet G 1/2
[6] Manual condensate drain
[7] Electric cable entry Pg 16
[8] Electric cable entry Pg 21 (on rear side)
[9] Cooling air outlet
[10] Air receiver must not be bolted on the floor without rubber pads
[11] Shown LE7/8 with 250 l EURO receiver and silencing hood
[12] Female air outlet G 1/2
[13] Compressor cooling air and air inlet
[14] Hole 15 x 24 (4 x), can be used for fixing without rubber pads
Fig. 14. LE5, -6, -6C/LT5, -6, -530 Power Pack
Figs. 14 up to 21. Dimension drawings

Related product manuals