EasyManua.ls Logo

Atlas Copco LE9N

Atlas Copco LE9N
28 pages
To Next Page IconTo Next Page
To Next Page IconTo Next Page
To Previous Page IconTo Previous Page
To Previous Page IconTo Previous Page
Loading...
Industrial Air Division
2920 5997 03
20
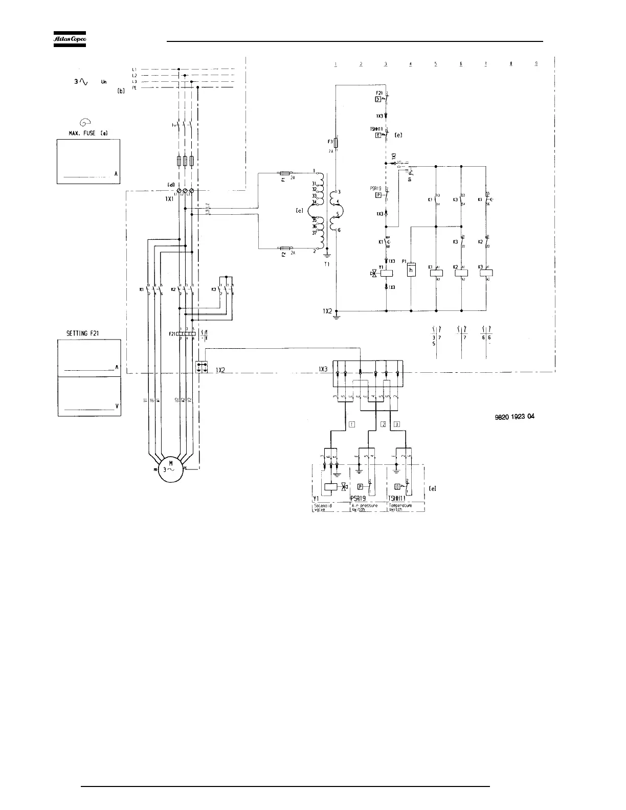
Fig. 13. Electrical diagram of LE/LT7 up to -12 and LEN with transformer

Related product manuals