EasyManua.ls Logo

Atmel ATA6264 - Page 59

Atmel ATA6264
83 pages
Print Icon
To Next Page IconTo Next Page
To Next Page IconTo Next Page
To Previous Page IconTo Previous Page
To Previous Page IconTo Previous Page
Loading...
59
4929B–AUTO–01/07
ATA6264 [Preliminary]
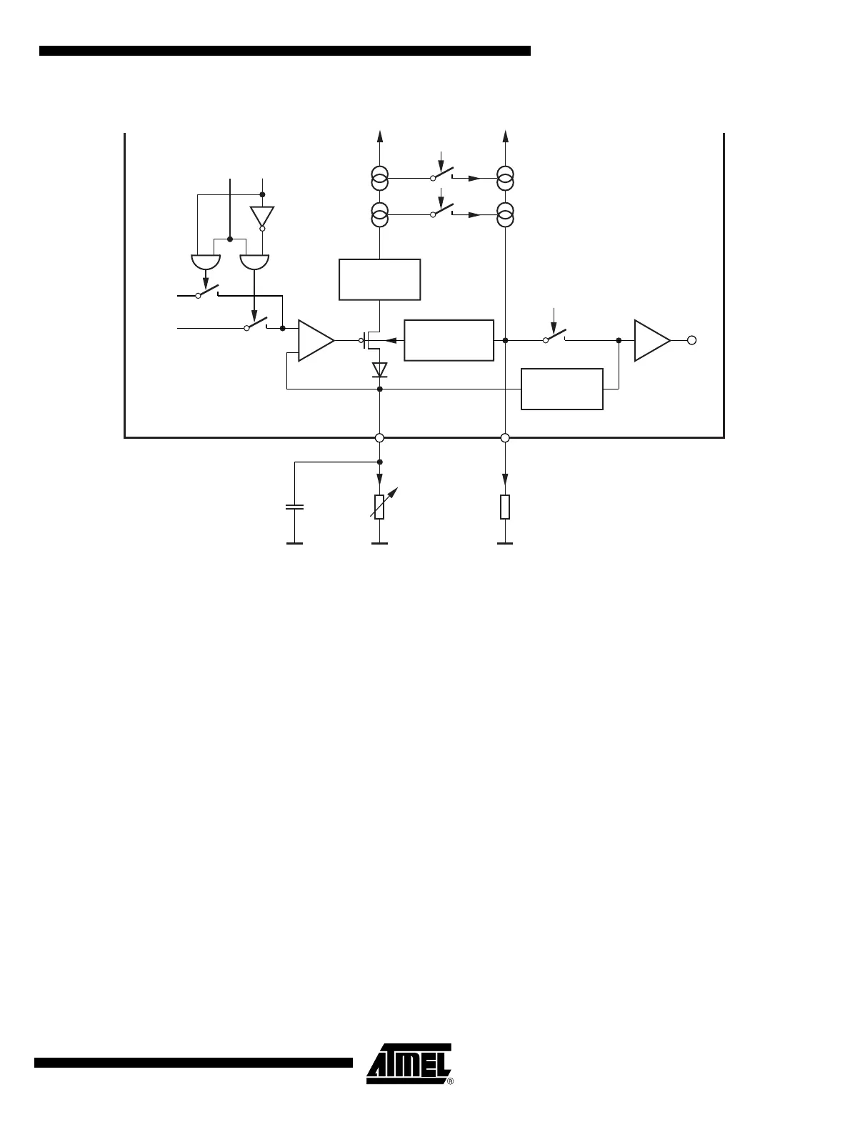
Figure 18-1. Functional Principle of the IASG Interface
Necessary for operation:
V
VCORE
and V
VPERI
> Reset threshold, V
EVZ
= 9V to 40V for operation with IASGx switched to 5V
V
VCORE
and V
VPERI
> Reset threshold, V
EVZ
= 15V to 40V for operation with IASGx switched to 10V
V
INT
= 3.7V to 5.47V, V
CP
> V
EVZ
+ 7V
Operating conditions of all other supply pins:
V
K30
and V
VSAT
are within functional range limits, T
j
= –40°C to 150°C
Other pins:
As defined in Section 4. ”Functional Range” on page 8, C
IASGx
10 nF and
825Ω≥R
ISENS
5k
Serial
interface
Serial
interface
UZP
Current mirror
Serial
interface
Analog
multiplexer
Short circuit
protection
10
15
IASGx
C > 10 pF
RIASGx
I = f(R)
I/10
or
I/15
ISENS
Resistive
sensor
Current limit
if V
ISENS
>V
PERI
V
V1
V
V2
1
1
-
+
R
ISENS