EasyManua.ls Logo

ATTACK AK Series - Page 144

Default Icon
160 pages
Print Icon
To Next Page IconTo Next Page
To Next Page IconTo Next Page
To Previous Page IconTo Previous Page
To Previous Page IconTo Previous Page
Loading...
6
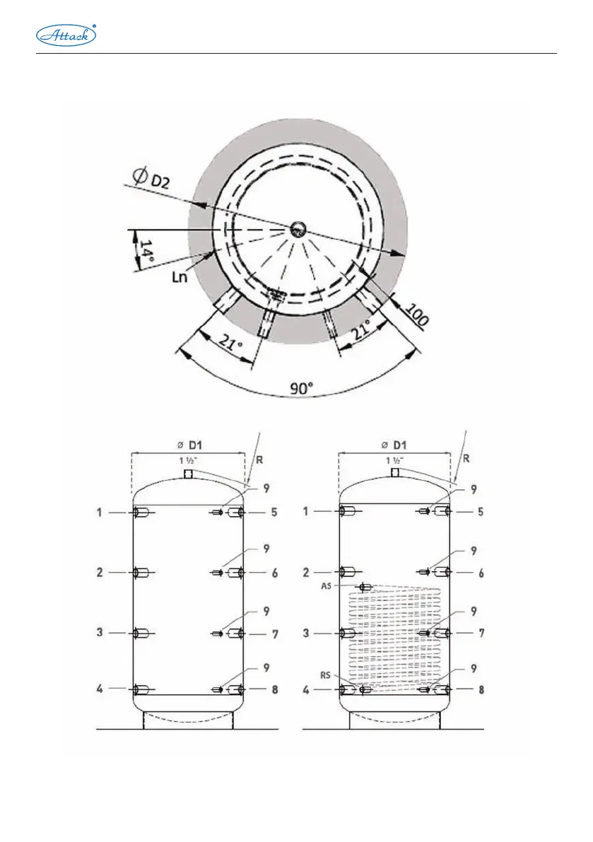
ATTACK AK ATTACK AS
ACCUMULATION TANKS ATTACK AK, AS

Table of Contents