EasyManua.ls Logo

Audi Q5 2008 - Page 75

Audi Q5 2008
211 pages
Print Icon
To Next Page IconTo Next Page
To Next Page IconTo Next Page
To Previous Page IconTo Previous Page
To Previous Page IconTo Previous Page
Loading...
Protected by copyright. Copying for private or commercial purposes, in part or in whole, is not
permitted unless authorised by AUDI AG. AUDI AG does not guarantee or accept any liability
with respect to the correctness of information in this document. Copyright by AUDI AG.
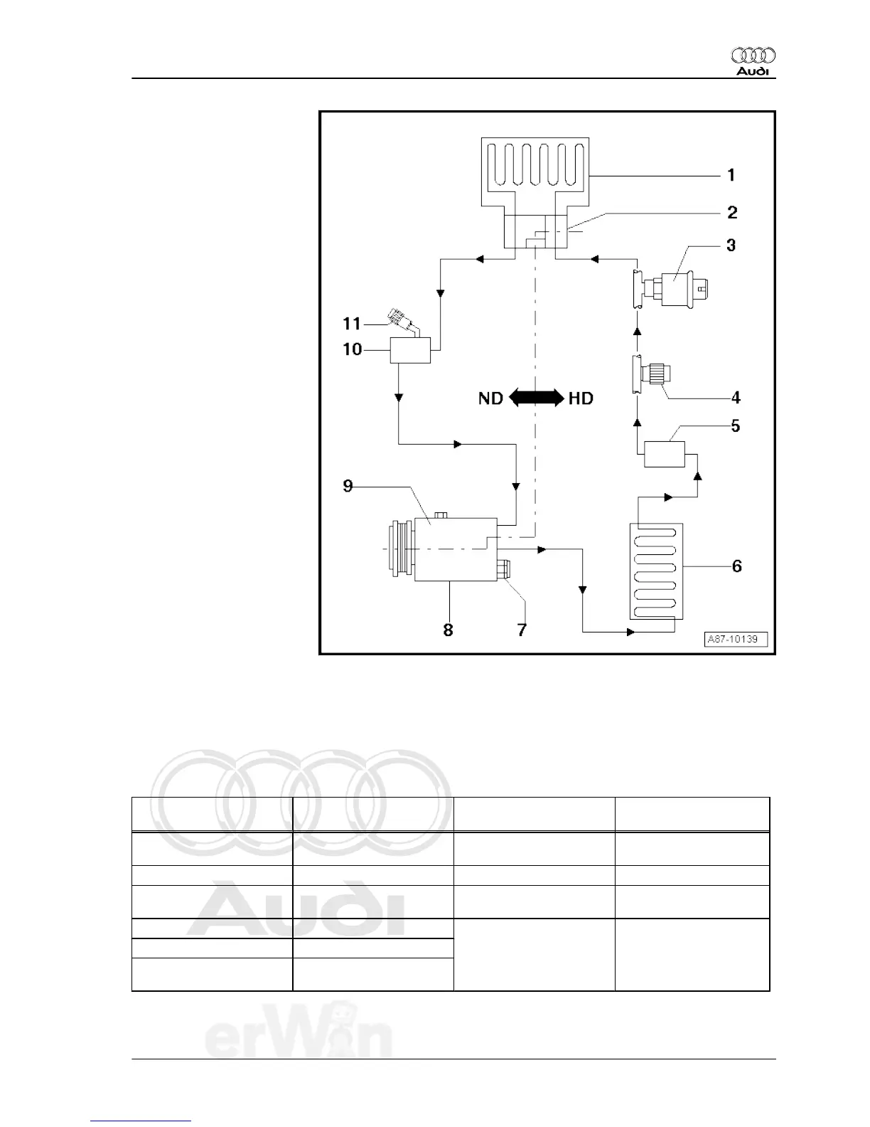
1 - Evaporator
2 - Expansion Valve
3 - High Pressure Switch / High
Pressure Sensor
Different versions de‐
pending on vehicle
4 - Service Connection, HP
Side
5 - Fluid Reservoir
Different versions de‐
pending on vehicle
6 - Condenser
7 - Pressure Relief Valve
8 - A/C Compressor, HP side
9 - A/C Compressor, LP side
10 - Pre-volume
Not present on all vehi‐
cles
11 - Service Connection, LP
Side
2.1.14 Refrigerant Circuit with Restrictor and
Reservoir, Pressures and Tempera‐
tures
HP- High pressure side of refrigerant circuit.
LP- Low pressure side of refrigerant circuit.
Component Aggregate State Of Refrig‐
erant
Pressure (Bar Positive
Pressure)
Temperature in Degrees
Celsius
-1- A/C compressor, HP
side
Gas up to 20 bar up to + 70 ℃
-2- Condenser From gas to vapor to fluid up to 20 bar up to + 70 ℃
-3- Restrictor From fluid to vapor HP side up to 20 bar LP
side greater than 1,0 bar
HP side up to + 60 ℃ LP
side warmer than -4 °C
-4- Evaporator From vapor to gas Greater than 1,0 bar Warmer than - 4 ℃
-5- Reservoir Gas
-6- A/C compressor low
pressure side
Gas
Pressures on A-side are maintained at approximately 2 bar ab‐
solute pressure (corresponds to approximately 1 bar positive
pressure) by regulating A/C compressor also at various engine
speeds. However, this applies only within the performance range
Audi 100 1991 ➤ , Audi 80 1992 ➤ , Audi A1 2011 ➤ , Audi A2 2001 ➤ , A ...
Refrigerant R134a Servicing - Edition 01.2011
2. Description and Operation 71

Table of Contents