EasyManua.ls Logo

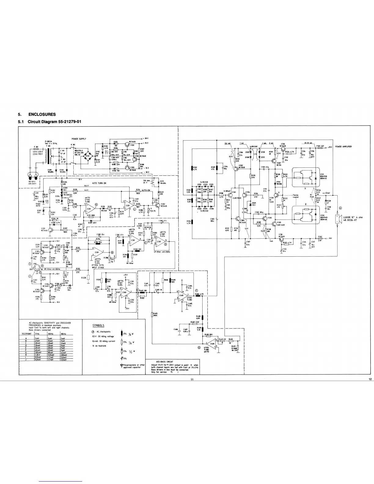
Audio Pro B1-45 - Enclosures; Circuit Diagram

Audio Pro B1-45
13 pages
Print Icon
To Next Page IconTo Next Page
To Next Page IconTo Next Page
To Previous Page IconTo Previous Page
To Previous Page IconTo Previous Page
Loading...

Related product manuals