EasyManua.ls Logo

Audiovox APS-997 - Page 26

Audiovox APS-997
28 pages
Print Icon
To Next Page IconTo Next Page
To Next Page IconTo Next Page
To Previous Page IconTo Previous Page
To Previous Page IconTo Previous Page
Loading...
128-7402
26 of 28
METHOD 2
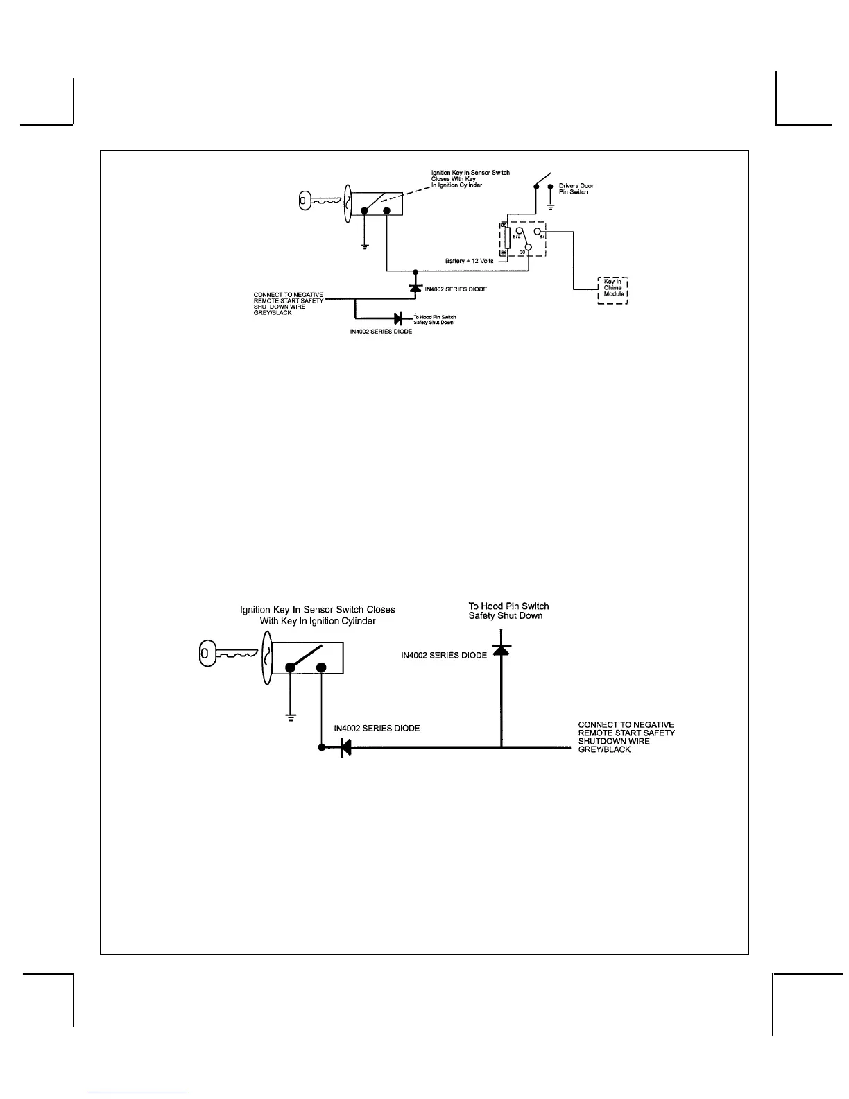
To connect to the key in sensor circuit as shown for method 2:
A. Locate the control wire that connects the drivers door pin switch to the key in sensor switch.
B. Cut this wire and connect the ignition cylinder side to chassis ground.
C. Locate the key in sensor switch wire that connects the chime module to the ignition cylinder .
D. Cut this wire and connect the ignition cylinder side to the Remote Start Negative Safety Shut down Wire
Gray/Black, using a 4002 series diode as shown above.
NOTE: A second 4002 series diode may be required to maintain the integrity of the hood open, shut down
circuit. If this is the case, it must be installed as shown in the diagram above. The anode (Non Striped)
side must be connected to the Gray/Black wire of the Remote Start Unit. The cathode (Striped) side must
To connect to the key in sensor as shown in method 1:
A. Locate the control wire that connects the drivers door pin switch to the key in sensor switch.
B. Cut this wire and connect the ignition cylinder side to chassis ground.
C. Locate the key in sensor switch wire that connects the chime module to the ignition cylinder .
D. Cut this wire and connect the ignition cylinder side to terminal 30 of a P&B VF45F11 or equivalent relay.
E. Connect the cathode (striped) side of a 4002 series diode to this same wire, and connect the (non
striped) side to the negative shut down safety wire (Gray / Black) of the Audiovox Remote Start Unit.
F. Connect terminal 86 of the relay to a fused +12 volt constant battery source.
G. Connect terminal 87 of the relay to the Chime Module side of the previously cut wire in step D.
H. Connect terminal 85 of the relay to the Drivers Door side of the pin switch wire previously cut in step B.
NOTE: A second 4002 series diode may be required to maintain the integrity of the hood open, shut down
circuit. If this is the case, it must be installed as shown in the diagram above. The anode (Non Striped)
side must be connected to the Gray/Black wire of the Remote Start Unit. The cathode (Striped) side must
be connected to the hood pin switch. If the hood pin switch is also used for an alarm trigger input, be
certain to use the dual diode assembly packaged with the Audiovox Remote Start Unit as shown in this
installation guide. (Page 9)
METHOD 1
26

Table of Contents

Related product manuals