EasyManua.ls Logo

Audiovox APS-997 - Key in Sensor Circuits; Audiovox Advises that You Maintain the Factory Circuit

Audiovox APS-997
28 pages
Print Icon
To Next Page IconTo Next Page
To Next Page IconTo Next Page
To Previous Page IconTo Previous Page
To Previous Page IconTo Previous Page
Loading...
128-7402
25 of 28
25
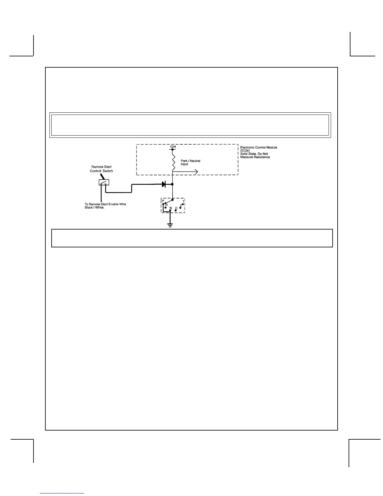
4. Connect the other side of the enable switch to the Black/White enable input wire of the Remote Start
unit.
The reference diagram below shows a typical GM B Body ECM reference wire and how it is to be connected
to the Remote Start Unit.
CAUTION!
REMEMBER TO RECONNECT THE BROWN/BLACK WIRE TEMPORARILY
DISCONNECTED IN STEP 3
DO NOT RELEASE THIS VEHICLE TO THE CONSUMER UNTIL YOU CONFIRM THE OPERATION
OF THE NEUTRAL SAFETY START FEATURE.
KEY IN SENSOR CIRCUITS:
If the vehicle you are working on does not have or you cannot locate the ECM reference wire, there are
two alternatives available. Although not preferred, the vehicle Key In Sensor may be reconfigured to
allow a margin of safety and will prevent the vehicle with a Mechanical Neutral Start Switch from starting
in gear.
AUDIOVOX ADVISES THAT YOU MAINTAIN THE FACTORY CIRCUIT WHENEVER POSSIBLE. The
following two circuits may be used only if the above circuit is not available.
NOTE: When completing an installation using either of the following key in sensor circuits, if the
operator inserts the ignition key while the vehicle is running under the control of the Remote Start, the
vehicle will shut down. This must be explained to the operator as it is in contrast to the normal opera-
tion of a vehicle utilizing an electrical neutral start switch and is inconsistent with the operators manual.
Additional information concerning Key In Sensor methods 1 & 2 are listed below and should be reviewed
before considering either alternative.
Method 1 will allow the safety required for the remote start unit and prevent the vehicle from starting
while in any gear other than Park or Neutral while the key is in the ignition cylinder however, if the key is
left in the ignition switch and the door is left opened, the added relay will be energized causing a 150mA
drain on the battery.
Method 2 will allow the safety required for the remote start unit and prevent the vehicle from starting
while in any gear other than Park or Neutral while the key is in the ignition cylinder however, the original
factory key in chime module will not alert the owner that the key has been left in the ignition switch. In
addition, this may also effect other warning tones such as the light on reminder.
These situations should be carefully considered before altering the vehicle's wiring and must be fully
explained to the consumer.

Table of Contents

Related product manuals