EasyManua.ls Logo

auna TT-931 - Éléments de Commande

auna TT-931
Print Icon
To Next Page IconTo Next Page
To Next Page IconTo Next Page
To Previous Page IconTo Previous Page
To Previous Page IconTo Previous Page
Loading...
15
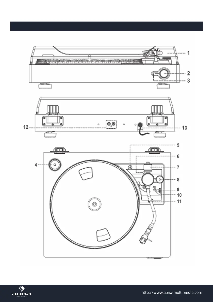
Éléments de commande

Related product manuals