EasyManua.ls Logo

AUSA C300H - Electric Circuit C300 H; C300 HI

AUSA C300H
140 pages
Print Icon
To Next Page IconTo Next Page
To Next Page IconTo Next Page
To Previous Page IconTo Previous Page
To Previous Page IconTo Previous Page
Loading...
C300H / C300HI / C300H x4 / C300HI x4
C350H / C350HI / C350H x4 / C350HI x4
121
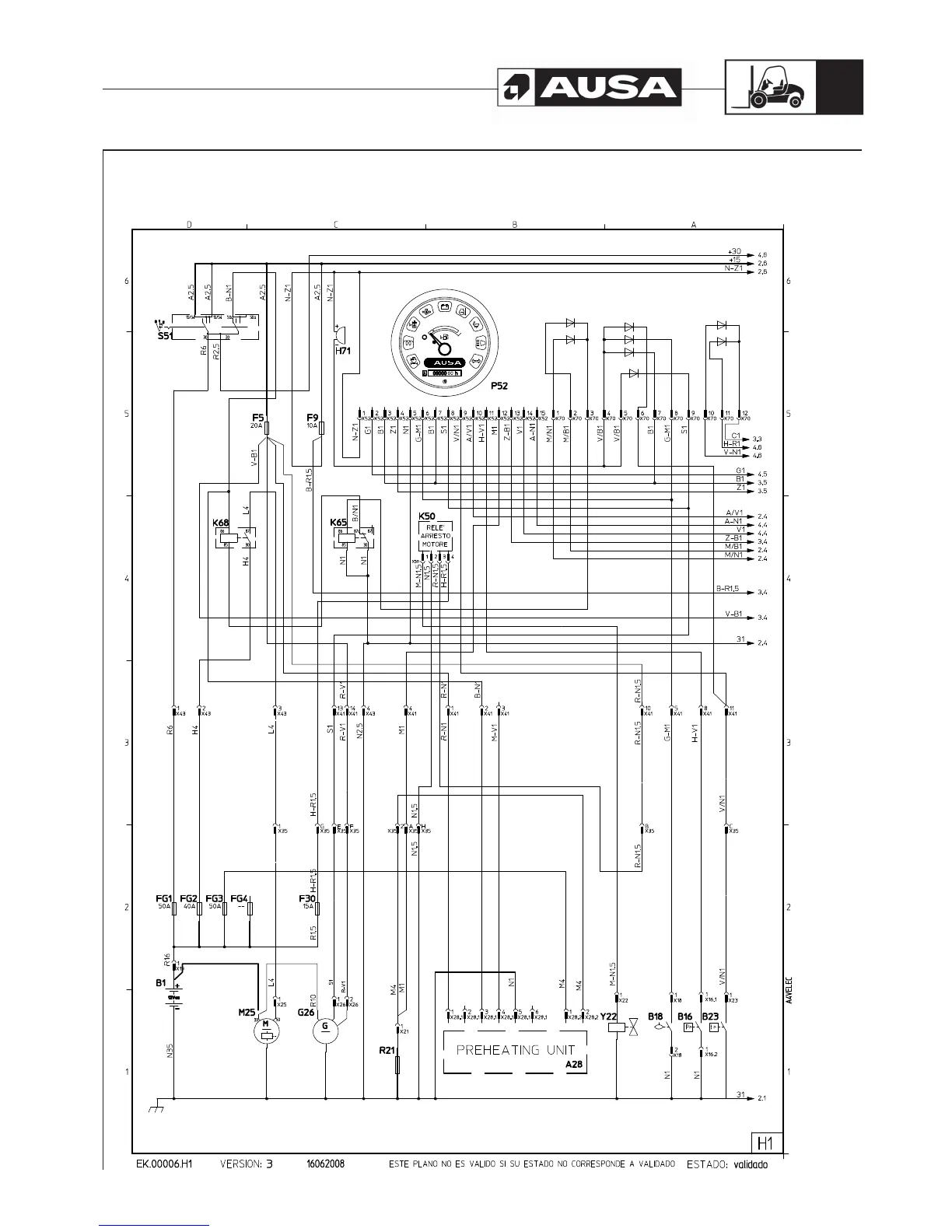
Electric circuit H1
C300H / C300HI

Related product manuals