EasyManua.ls Logo

AUSA C300H - Page 131

AUSA C300H
140 pages
Print Icon
To Next Page IconTo Next Page
To Next Page IconTo Next Page
To Previous Page IconTo Previous Page
To Previous Page IconTo Previous Page
Loading...
C300H / C300HI / C300H x4 / C300HI x4
C350H / C350HI / C350H x4 / C350HI x4
129
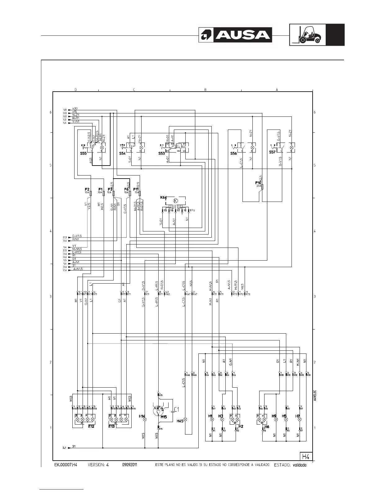
Electric circuit H4
C300H x4 / C300HI x4 / C350H / C350HI / C350H x4 / C350HI x4

Related product manuals