EasyManua.ls Logo

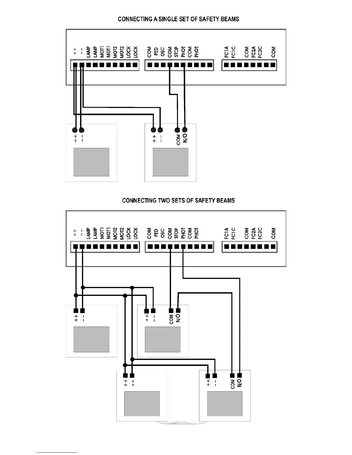
Automatic Solutions CTR50 - WIRING DIAGRAMS; CONNECTING SAFETY BEAMS

Default Icon
22 pages
Print Icon
To Next Page IconTo Next Page
To Next Page IconTo Next Page
To Previous Page IconTo Previous Page
To Previous Page IconTo Previous Page
Loading...
19